EasyManua.ls Logo

Viessmann VITOCAL 250-A - Page 26

Viessmann VITOCAL 250-A
200 pages
Print Icon
To Next Page IconTo Next Page
To Next Page IconTo Next Page
To Previous Page IconTo Previous Page
To Previous Page IconTo Previous Page
Loading...
26
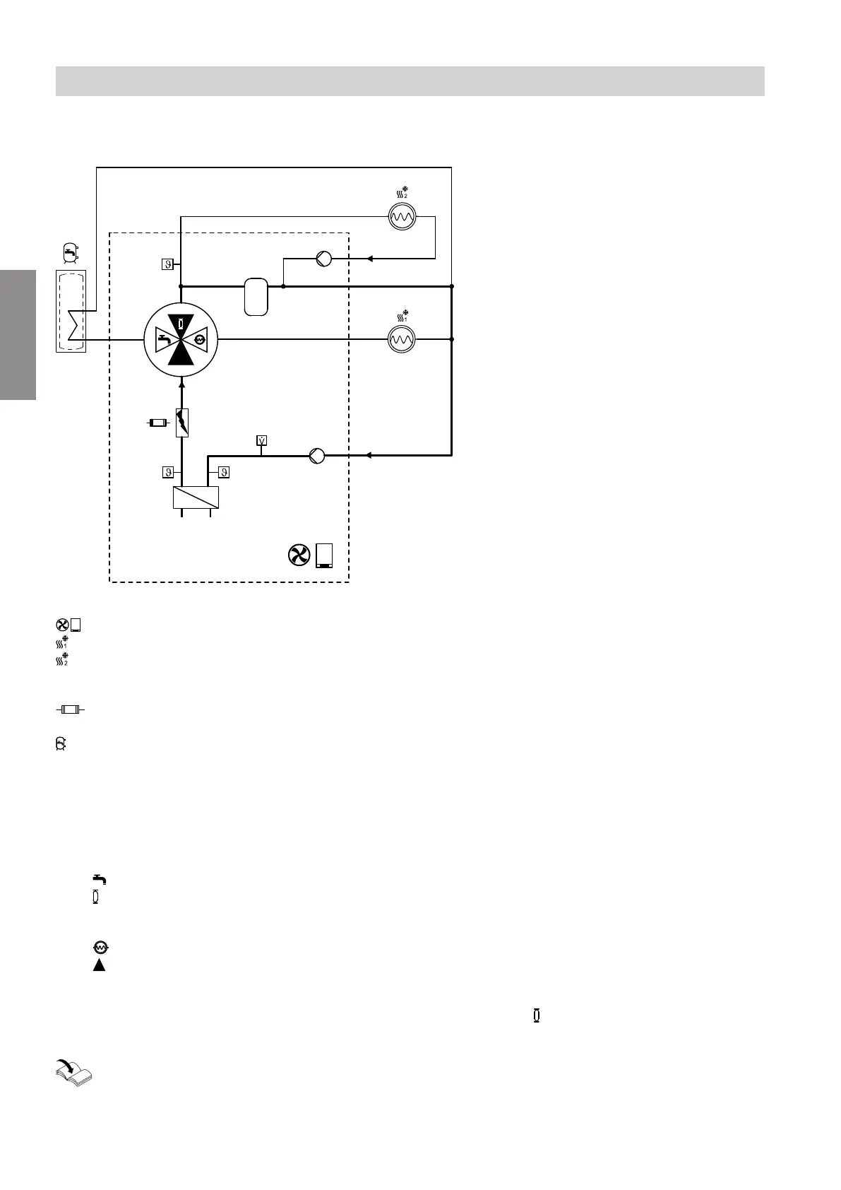
Heating the integral buffer cylinder
Flow diagram
D
E
G
F
H
A
B
C
K
Fig. 4
Air source heat pump
Heating/cooling circuit 1
Indoor unit with 2 integral heating/cooling cir-
cuits:
Heating/cooling circuit 2
Instantaneous heating water heater
(not available with all heat pump types)
DHW cylinders
(integrated in floorstanding indoor units)
A
Return temperature sensor, secondary circuit
B
Condenser
C
Flow temperature sensor, secondary circuit
D
4/3-way valve
Positions:
DHW heating
Integral buffer cylinder
For indoor unit with 2 integral heating/cooling
circuits, also heating/cooling circuit 2
Heating/cooling circuit 1
Open flow direction
E
Flow temperature sensor, heating/cooling cir-
cuit 2
F
Indoor unit with 2 integral heating/cooling cir-
cuits:
Heating circuit pump, heating/cooling circuit 2
G
Integral buffer cylinder
H
Secondary pump
For indoor unit with 2 integral heating/cooling cir-
cuits, also heating circuit pump for heating/cool-
ing circuit 1
K
Flow sensor
The 4/3-way valve is actuated via a 0 to 10 V signal.
The current position of the 4/3-way valve in % can be
called up in the menu "Information" > "General".
Operating instructions for the heat pump
To heat the integral buffer cylinder, the 4/3-way valve
moves to position = 50 %. The outdoor unit is oper-
ated at the max. possible output.
Function description
Defrost (cont.)
6218234
Functions

Table of Contents

Related product manuals