EasyManua.ls Logo

Vista Quantum EVO - Page 110

Vista Quantum EVO
127 pages
Print Icon
To Next Page IconTo Next Page
To Next Page IconTo Next Page
To Previous Page IconTo Previous Page
To Previous Page IconTo Previous Page
Loading...
110
Quantum EVO H.264 installation and user manual
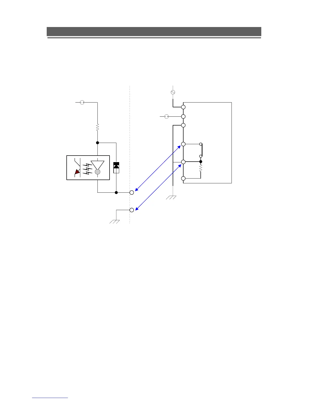
1. SENSOR Install Processing
Please refer the below block diagram.
PC817
3.3k
Or 10k
N.C
SENSOR
12V DC
2.2k
AC
Outlet Point
?? V DC
SENSOR IN
DVR
GND

Table of Contents

Related product manuals