EasyManua.ls Logo

VKI Technologies Suprema - Wiring Diagrams; Electrical Diagram

Default Icon
58 pages
Print Icon
To Next Page IconTo Next Page
To Next Page IconTo Next Page
To Previous Page IconTo Previous Page
To Previous Page IconTo Previous Page
Loading...
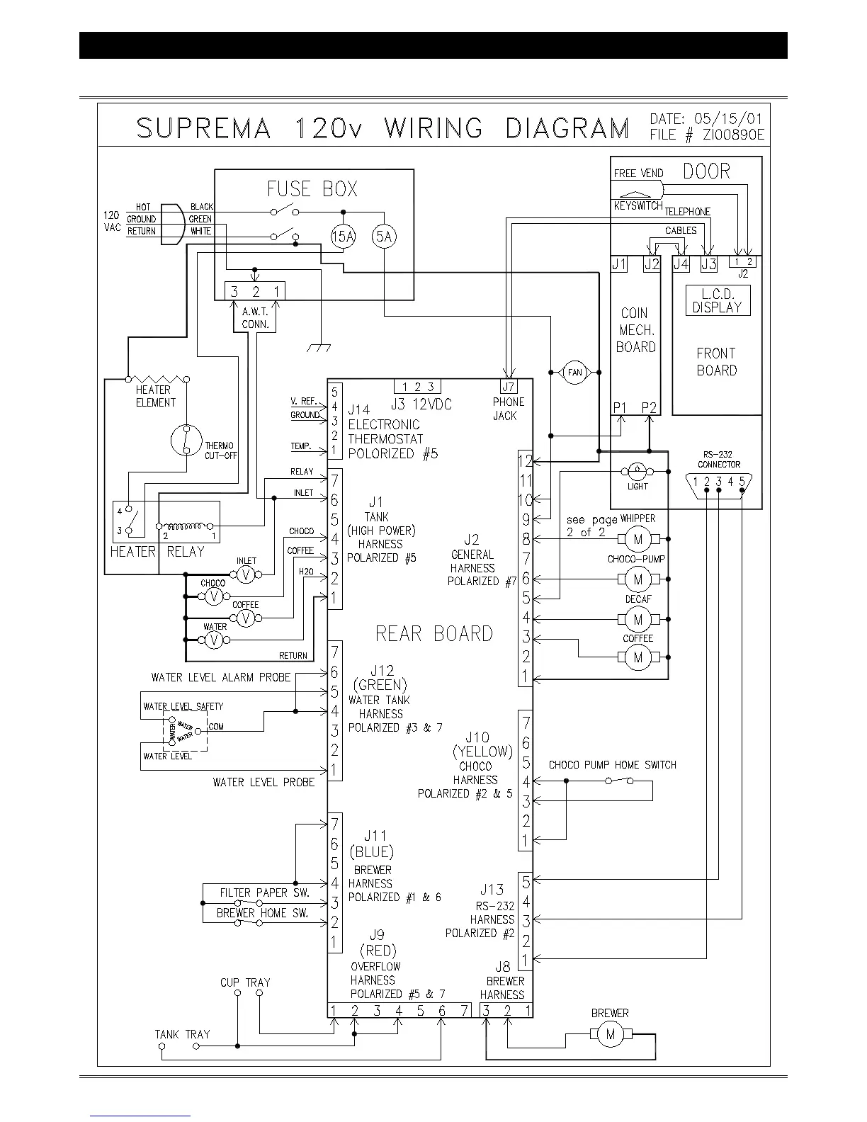
SUPREMA - OPERATION & SERVICE MANUAL
Suprema - Operation & Service 02-2012 Page 53 of 58
ELECTRICAL WIRING DIAGRAMS

Table of Contents