EasyManua.ls Logo

Wacker Neuson WM 170 - Cross Section Along Shaft

Wacker Neuson WM 170
118 pages
Print Icon
To Next Page IconTo Next Page
To Next Page IconTo Next Page
To Previous Page IconTo Previous Page
To Previous Page IconTo Previous Page
Loading...
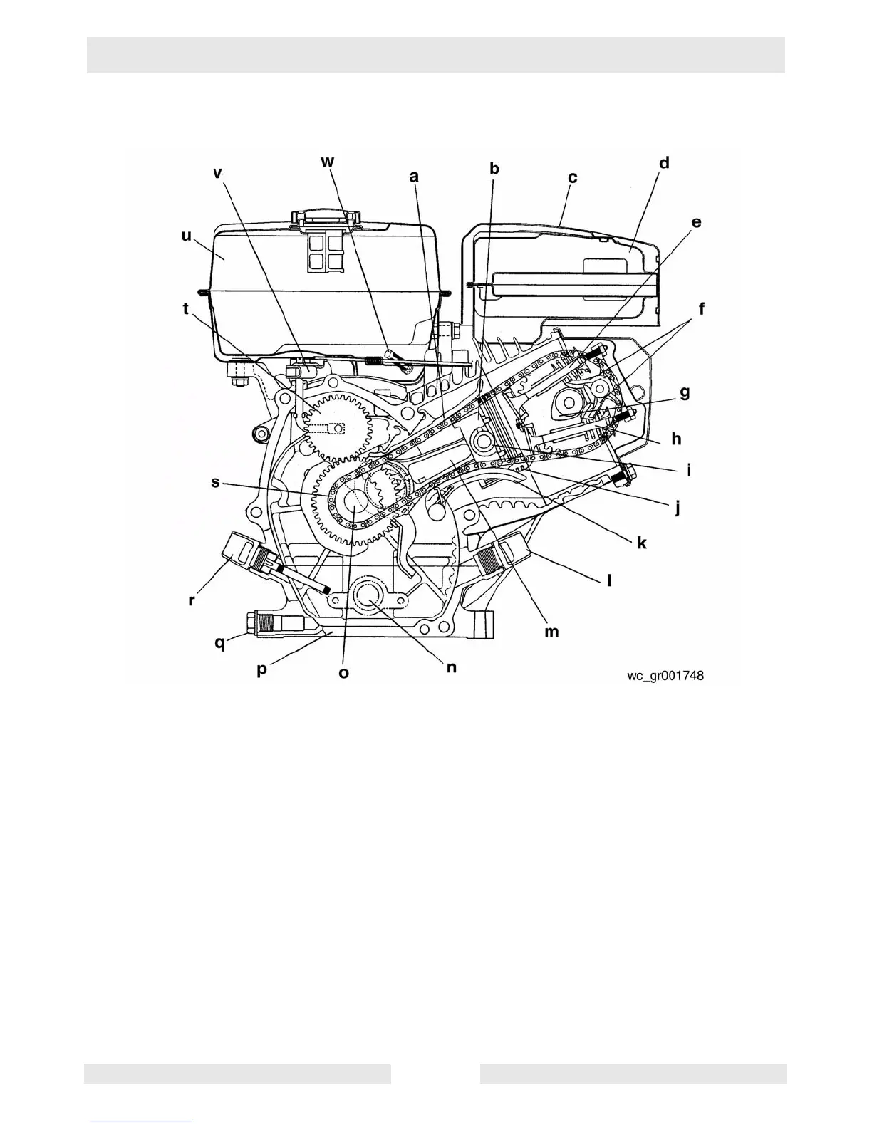
Theory of Operation WM 130/170/270
wc_tx000378gb.fm 36
6.4 Cross Section Along Shaft

Table of Contents

Other manuals for Wacker Neuson WM 170

Related product manuals