EasyManua.ls Logo

Wacker Neuson WM 170 - Removing Main Bearing Cover

Wacker Neuson WM 170
118 pages
Print Icon
To Next Page IconTo Next Page
To Next Page IconTo Next Page
To Previous Page IconTo Previous Page
To Previous Page IconTo Previous Page
Loading...
WM 130/170/270 Repair Disassembly Procedures
wc_tx000379gb.fm 47
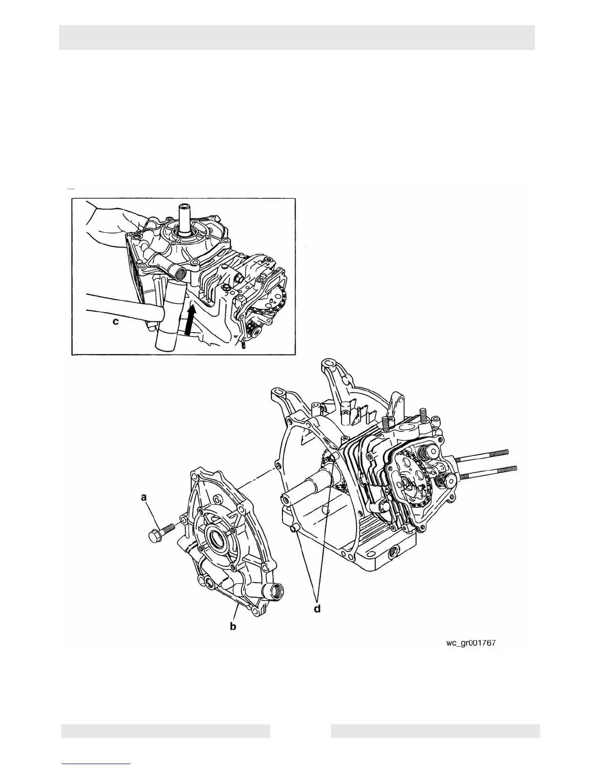
8.9 Removing Main Bearing Cover
See Graphic: wc_gr001767
8.9.1 Remove the six M8 bolts (a) securing the main bearing cover (b). If
necessary, tap the main bearing cover with a rubber mallet (c) to
loosen it.
8.9.2 Be careful not to damage the oil gauge, oil seal, or guide pins (d).

Table of Contents

Other manuals for Wacker Neuson WM 170

Related product manuals