EasyManua.ls Logo

WEG CFW-11 - Page 17

WEG CFW-11
116 pages
Print Icon
To Next Page IconTo Next Page
To Next Page IconTo Next Page
To Previous Page IconTo Previous Page
To Previous Page IconTo Previous Page
Loading...
General Information
2
CFW-11 | 2-7
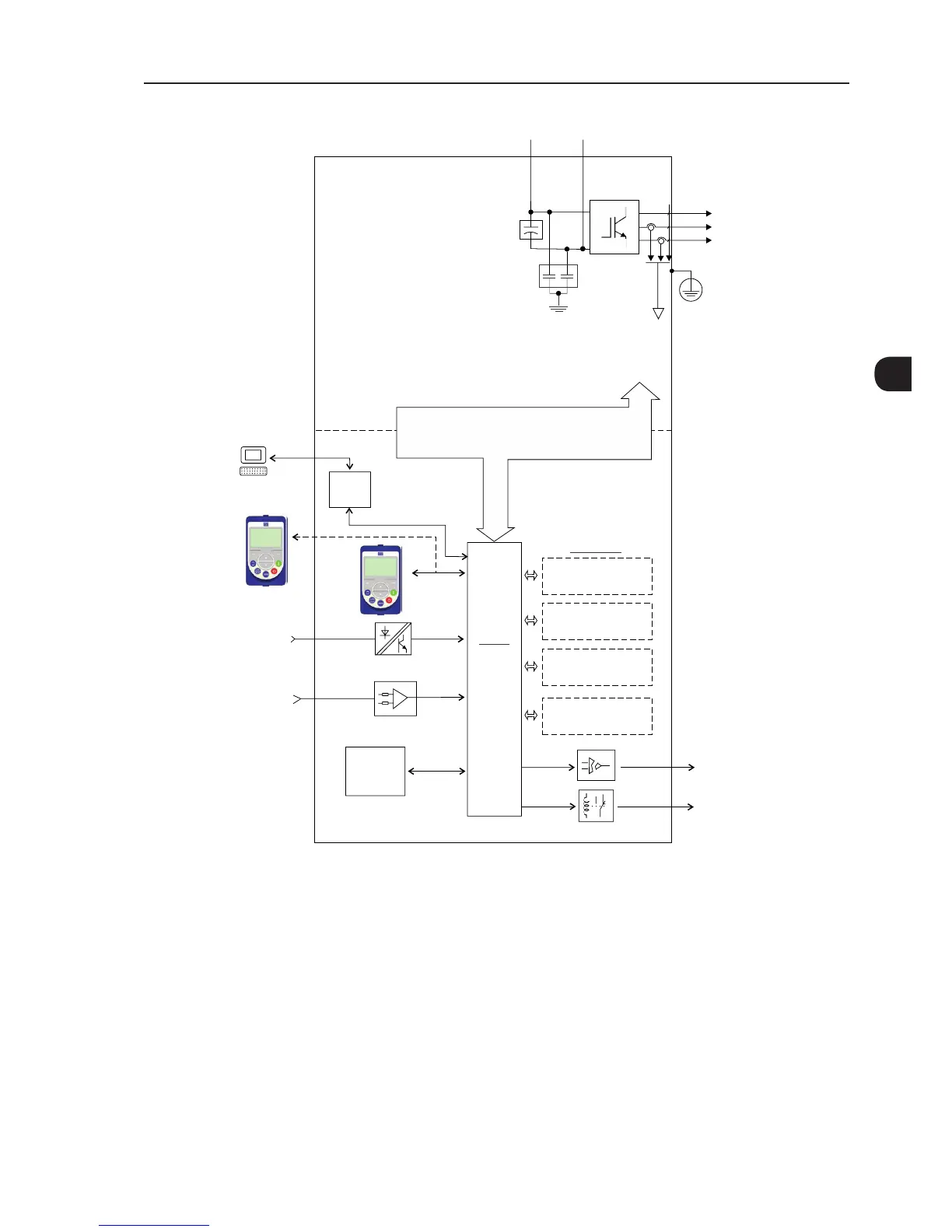
Analog inputs
(AI1 and AI2)
FLASH
memory
module
MMF-03
Digital inputs
(DI1 to DI6)
Control power supply and interfaces
between power and control sections
USB
PC
Power
control
Motor
U/T1
V/T2
W/T3
IGBT
inverter
DC+
DC supply
DC-
SuperDrive
G2 software
WLP software
Keypad
CC11
Control
board
with
32-bit
"RISC"
CPU
Analog outputs
(AO1 and AO2)
Digital outputs
DO1 (RL1) to
DO3 (RL3)
Keypad (remote)
DC Link capacitor bank
Feedback:
- voltage
- current
PE
COMM 2
(anybus) (Slot 4)
COMM 1
(Slot 3 - green)
Encoder interface
(Slot 2 - yellow)
I/O expansion
(Slot 1 - white)
Accessories
(b) Models with DC power supply (special DC hardware)
Figure 2.1 - (a) and (b) Block diagram for the CFW-11 - frame sizes F and G

Table of Contents

Other manuals for WEG CFW-11

Related product manuals