EasyManua.ls Logo

WEG CFW501 - Page 98

WEG CFW501
149 pages
Print Icon
To Next Page IconTo Next Page
To Next Page IconTo Next Page
To Previous Page IconTo Previous Page
To Previous Page IconTo Previous Page
Loading...
CFW501 | 93
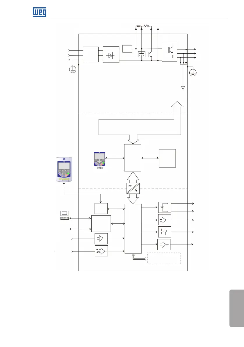
Informações Gerais
Português
Entrada analógica
(AI1 e AI2)
(*)
Entradas digitais
(DI1 a DI4)
(*)
Fontes para eletrônica e interfaces
entre potência e controle
RS-485
PC
POTÊNCIA
Retificador
trifásico
Filtro RFI
interno
Motor
U/T1
V/T2
W/T3
+UD
-UD
BR
Inversor com
transistores IGBT
e realimentação
de corrente
Rede de
alimentação
R/L1/L
S/L2/N
T/L3
= Conexão barramento CC
(**)
Indutor do Link CC (opcional)
Resistor de frenagem (opcional)
= Conexão para resistor de frenagem
(**)
Pré-
carga
Software WLP
SUPERDRIVE
(*)
MODBUS
Banco capacitores link CC
IGBT de frenagem (disponível nos
Inversores CFW500...DB...)
HMI
CPU
32 bits
"RISC"
EEPROM
(memória)
Cartão
Plug-in do
usuário
Interfaces
(RS-232,
RS-485
ou USB)
Saída
analógica
(AO1)
(*)
Fonte 24 V
Fonte 10 V
Saída digital
DO1 (RL1) e
DO3 (RL2)
Saída digital
DO2 (TR)
(*)
HMI (remota)
Realimentação
de tensão
(**)
PE
PE
Caro de memória
(MCard)
Acessório
CONTROLE
CONTROLE
PLUG-IN PADRÃO
= Interface homem-máquina
(*) O número de entradas/saídas analógicas/digitais, bem como outros recursos, podem sofrer variões de acordo com o
dulo plug-in utilizado. Para mais informações, consulte o guia fornecido com o acessório ou no CD-ROM.
(**) Não disponível na mecânica A.
Figura 2.2: Blocodiagrama do CFW501 para Mecânica D

Table of Contents

Related product manuals