EasyManua.ls Logo

Whirlpool CHW9050 - Wiring Diagram

Whirlpool CHW9050
116 pages
Print Icon
To Next Page IconTo Next Page
To Next Page IconTo Next Page
To Previous Page IconTo Previous Page
To Previous Page IconTo Previous Page
Loading...
7-1
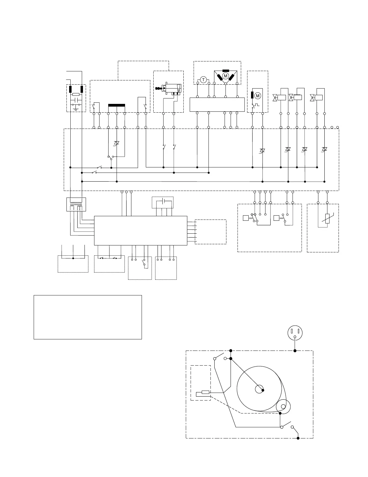
WIRING DIAGRAM
FOR SERVICE TECHNICIAN ONLY - DO NOT REMOVE OR DESTROY
PART NO. W10725998A PAGE 14
N1
L2
K1
K2
L1
N
L
CENTRAL CONTROL
UNIT (CCU)
DR1
IF
Lock
DOOR LOCK/SWITCH
DLS
Unlock
DS
DRIVE MOTOR
MOTOR CONTROL UNIT (MCU)
DRAIN PUMP
COLD INLET
VALVE #3
1 2 1 2 31 2
IF2
DS2
DL3
DLS2
1 2
MS2
1 2
MI3
1 2 3
DP2
1 2
VCH7
1 3 5 7
DI6
1
L2 N1
Moteur d’entraînement
Contacteur/verrou de porte
Verrouillage
Déverrouillage
Module de commande du moteur
Module de commande central
Pompe
de vidange
Électrovanne
d’ente
froide
3
WAX MOTOR
HE2
2 1
HR2 HR1
p>
PRESSURE SWITCH
L_0 L_wash L_overflow L_sud
TEMPERATURE
SENSOR
PR6
6 5 3 4 2 1
TH2
1 2
Contacteur manométrique
Capteur de
température
L_0 L_lavage L_remplissage excessif
L_moussage excessif
22 24 26 21 11 14
p>
3
2
1
5
3
6
1
2
3
AA6
AA1
Service
Contacteur
du service
Connecteur du lecteur de carte
Contacteur
du coffre
Switch
Coin Vault
Switch
1
4
2
3
AA4
1
4
2
3
AA5
1
2
3
4
5
6
AVAIL 2
AVAIL 1
ENABLE 1
ENABLE 2
DEBIT POWER
DEBIT GROUND
Card Reader Connector
1 2
3
4
(+)
(-)
NC NC
USER INTERFACE
Interface utilisateur
Battery (Optional)
Pile (en option)
EE1
Moteurdelactionneur
Glissière à pièces
Coin Slide
Capteur
de la pièce 2
(facultatif)
Coin 2 Sensor
(optional)
All models include connector AA1, AA4, AA5, and card reader connector
Tous les modèles comprisent connecteur AA1, AA4, AA5, et connecteur du lecteur de carte
AA3
5 6
Not used
Pas utilisée
COLD INLET
VALVE #2
Électrovanne
d’ente
froide
2
HOT INLET
VALVE #1
Électrovanne
d’ente
chaude
1
VC3 VC2
VH1
1
2
3
WB3
(9050 only)
(9050 seulement)
1
2
3
AA1
(9060 only)
(9060 seulement)
(9050 only)
(9050 seulement)
MCU
Hub
CABINET
S1
POWER CORD
S2
S1 = GND SWITCH FRONT
S2 = GND SWITCH REAR
MOTOR
BELT: HIGH
INSULATED
REAR
Arrière
Contacteur de la terre, avant
Contacteur de la terre, arrière
Cordon
d’alimentation
Module de
commande
du moteur
FRONT
Avant
Moteur
COURROIE :
forte isolation
Moyeu
Caisse
1MΩ
NC Switch: Opens when service panel is in place
NC Switch: Opens when rear panel is in place
Contacteur NF : Ouvert quand le panneau de service est en place
Contacteur NF : Ouvert quand le panneau arrre
est en place
WIRING DIAGRAM
GROUNDING SYSTEM
Grounding switches are in place to ground the motor circuit while a service panel is removed from the washer.
Operating the washer with a service panel removed can cause a communication error failure code.
Definitions/Définitions
IF = Input Filter/Filtre de données
DS = Door Switch/Contacteur de porte
DLS = Door Lock Switch/Contacteur de verrou de porte
DP = Drain Pump/Pompe de vidange
VC = Valve, Cold Water/Électrovanne d’eau froide
VH = Valve, Hot Water/Électrovanne d’eau chaude

Table of Contents

Other manuals for Whirlpool CHW9050

Related product manuals