EasyManua.ls Logo

Yamaha EF7200E - Page 179

Yamaha EF7200E
484 pages
Print Icon
To Next Page IconTo Next Page
To Next Page IconTo Next Page
To Previous Page IconTo Previous Page
To Previous Page IconTo Previous Page
Loading...
– 52 –
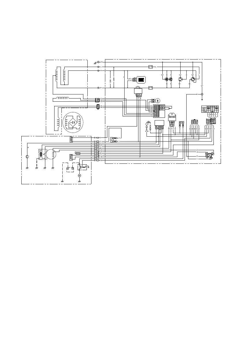
SCHALTPLAN
EF7200DE
1 Rotor-Baugruppe
2 Erregerfeldspule
3 Nebenspule
4 Hauptspule
5 Stator-Baugruppe
6 Spannungsmesser/
Betriebsstundenzähler
7 Wechselstromschalter (nicht
abschmelzender
Unterbrecher)
8 Wechselstrom-Steckdose
9 Motorschalter
0 Gleichrichter
q Fernbedienungsanschluss
w Sicherung
e Gleichrichter/Regler
r Spannungsregler
t Kondensator
Farbcodierung
B Schwarz
Br Braun
G Grün
L Blau
Lg Hellgrün
O Orange
R Rot
W Weiß
Y Gelb
B/W Schwarz/We
G/R Grün/Rot
G/Y Grün/Gelb
L/R Blau/Rot
L/W Blau/Weiß
R/B Rot/Schwarz
R/G Rot/Grün
R/W Rot/Weiß
y AVR
u Ölwarnungseinheit
i Ölwarnleuchte
o Sparsteuergerät
p Magnetventil
a Sparsteuerschalter
s Anlasserrelais
d Anlassermotor
f Vergaserheizung
g Vergaser-Magnetventil
h Batterie
j Ladespule
k T.C.I.-Einheit
l Zündkerze
; Ölstandschalter
1
2
5
4
6
7
7
8 8
8 8
0
q
w
r
e
t
u
i
p
a
s
d
f
g
h
j
k
l
;
o
y
3
9
7P6-F8199-U0-G0.indd 52 2014/02/19 15:27:06

Table of Contents

Other manuals for Yamaha EF7200E

Related product manuals