EasyManua.ls Logo

Yamaha EF7200E - Opmerkingen over de Aansluiting; Aansluiting; Opmerkingen over Verlengkabels

Yamaha EF7200E
484 pages
Print Icon
To Next Page IconTo Next Page
To Next Page IconTo Next Page
To Previous Page IconTo Previous Page
To Previous Page IconTo Previous Page
Loading...
– 52 –
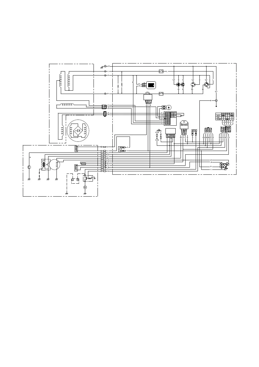
DIAGRAMA DE CABLEADO
EF7200DE
1 Montaje del rotor
2 Bobina de campo de excita-
dor
3 Sub-bobina
4 Bobina principal
5 Montaje del estator
6 Indicador de voltaje/horas
7 Interruptor de CA (interruptor
desprovisto de fusible)
8 Receptáculo de CA
9 Interruptor del motor
0 Rectificador
q Terminal de control remoto
w Fusible
e Rectificador/regulador
r Ajustador de voltaje
t Condensador
y AVR
u Unidad de aviso del nivel de
aceite
Código de color
B Negro
Br Marrón
G Verde
L Azul
Lg Verde claro
O Naranja
R Rojo
W Blanco
Y Amarillo
B/W Negro/Blanco
G/R Verde/Rojo
G/Y Verde/
Amarillo
L/R Azul/Rojo
L/W Azul/Blanco
R/B Rojo/Negro
R/G Rojo/Verde
R/W Rojo/Blanco
i Piloto de aviso de nivel de
aceite
o Unidad de control de econo-
mía
p Válvula solenoide
a Interruptor de control de
economía
s Relé del arranque
d Motor de arranque
f Calefactor del carburador
g Válvula solenoide del carbu-
rador
h Batería
j Bobina de carga
k Unidad T.C.I.
l Bujía
; Interruptor del nivel de acei-
te
1
2
5
4
6
7
7
8 8
8 8
0
q
w
r
e
t
u
i
p
a
s
d
f
g
h
j
k
l
;
o
y
3
9
7P6-F8199-U0-S0.indd 52 2014/02/19 15:15:27

Table of Contents

Other manuals for Yamaha EF7200E

Related product manuals