EasyManua.ls Logo

Yamaha EF7200E - Ef5500 Dfw; Ef5500 Fw

Yamaha EF7200E
484 pages
Print Icon
To Next Page IconTo Next Page
To Next Page IconTo Next Page
To Previous Page IconTo Previous Page
To Previous Page IconTo Previous Page
Loading...
– 52 –
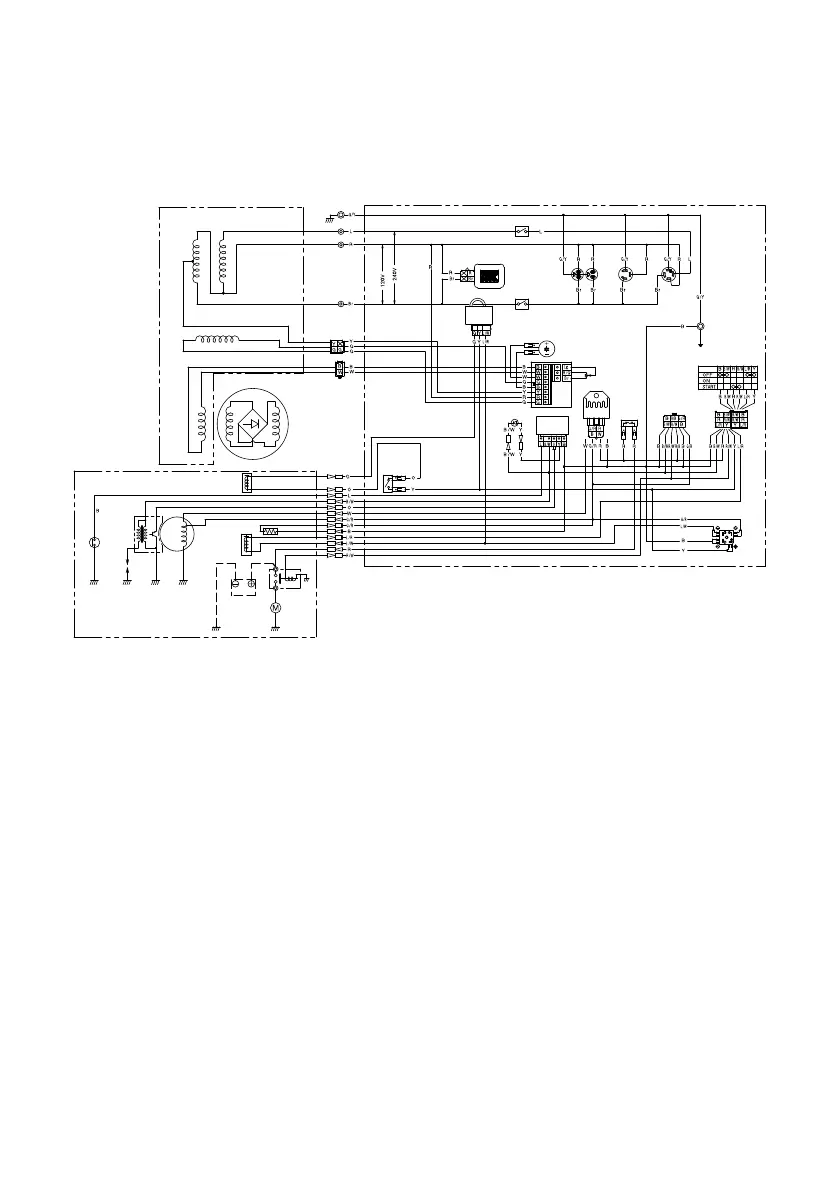
SCHÉMA DE CÂBLAGE
EF7200DE
1 Ensemble rotor
2 Bobine d’excitation
3 Sous-bobine
4 Bobine principale
5 Ensemble stator
6 Compteur de tension/heure
7 Contacteur CA (sans fusible)
8 Prise CA
9 Contacteur du moteur
0 Redresseur
q Borne de commande à dis-
tance
w Fusible
e Redresseur/Régulateur
r Dispositif de réglage de la
tension
t Condensateur
y AVR
Code couleur
B Noir
Br Brun
G Vert
L Bleu
Lg Vert clair
O Orange
R Rouge
W Blanc
Y Jaune
B/W Noir/Blanc
G/R Vert/Rouge
G/Y Vert/Jaune
L/R Bleu/Rouge
L/W Bleu/Blanc
R/B Rouge/Noir
R/G Rouge/Vert
R/W Rouge/Blanc
u Unité d’avertissement de
niveau d’huile
i Témoin d’avertissement
d’huile
o Unité de commande d’éco-
nomie
p Soupape solénoïde
a Contacteur de commande
d’économie
s Relais de démarreur
d Moteur du démarreur
f Réchauffeur du carburateur
g Électrovanne du carburateur
h Batterie
j Bobine de charge
k Unité T.C.I.
l Bougie
; Interrupteur de niveau d’huile
1
2
5
4
6
7
7
8 8
8 8
0
q
w
r
e
t
u
i
p
a
s
d
f
g
h
j
k
l
;
o
y
3
9
7P6-F8199-U0-F0.indd 52 2014/02/19 15:25:50

Table of Contents

Other manuals for Yamaha EF7200E

Related product manuals