EasyManua.ls Logo

Yamaha EF7200E - Page 120

Yamaha EF7200E
484 pages
Print Icon
To Next Page IconTo Next Page
To Next Page IconTo Next Page
To Previous Page IconTo Previous Page
To Previous Page IconTo Previous Page
Loading...
– 53 –
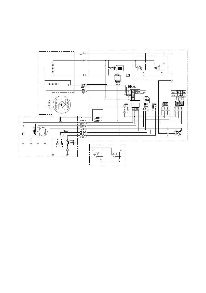
EF7200E
1 Ensemble rotor
2 Bobine d’excitation
3 Sous-bobine
4 Bobine principale
5 Ensemble stator
6 Compteur de tension/heure
7 Contacteur CA (sans fusible)
8 Prise CA
9 Contacteur du moteur
0 Redresseur
q
Borne de commande à distance
w Fusible
e Redresseur/Régulateur
r
Dispositif de réglage de la tension
t Condensateur
y AVR
u Unité d’avertissement de
niveau d’huile
Code couleur
B Noir
Br Brun
G Vert
L Bleu
Lg Vert clair
O Orange
R Rouge
W Blanc
Y Jaune
B/W Noir/Blanc
G/R Vert/Rouge
G/Y Vert/Jaune
L/R Bleu/Rouge
L/W Bleu/Blanc
R/B Rouge/Noir
R/G Rouge/Vert
R/W Rouge/Blanc
i
Témoin d’avertissement d’huile
o Unité de commande d’éco-
nomie
p Soupape solénoïde
a Contacteur de commande
d’économie
s Relais de démarreur
d Moteur du démarreur
f Réchauffeur du carburateur
g Électrovanne du carburateur
h Batterie
j Bobine de charge
k Unité T.C.I.
l Bougie
; Interrupteur de niveau d’huile
å Sauf pour l’OCÉANIE
Pour l’OCÉANIE
1
2
4
5
6
7
8 8
8 8
0
q
w
r
e
t
u
i
p
a
s
d
f
g
h
j
k
l
;
o
y
3
9
å
7P6-F8199-U0-F0.indd 53 2014/02/19 15:25:51

Table of Contents

Other manuals for Yamaha EF7200E

Related product manuals