EasyManua.ls Logo

Yamaha EF7200E - Deskripsi

Yamaha EF7200E
484 pages
Print Icon
To Next Page IconTo Next Page
To Next Page IconTo Next Page
To Previous Page IconTo Previous Page
To Previous Page IconTo Previous Page
Loading...
– 53 –
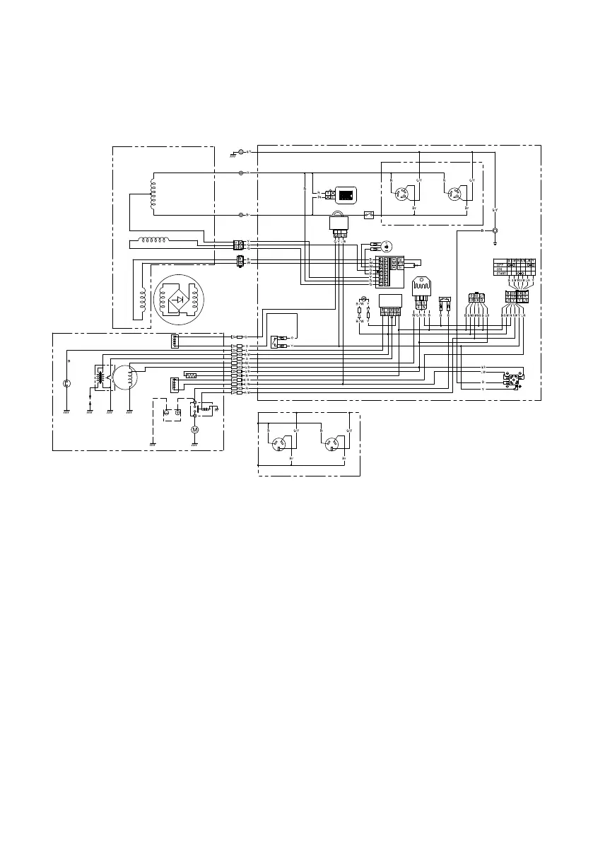
EF7200E
1 Rotoreenheid
2 Opwekker-veldspoel
3 Subspoel
4 Hoofdspoel
5 Statoreenheid
6 Voltage/uur-meter
7 Wisselstroomschakelaar
(N.F.B.)
8 Wisselstroomstopcontact
9 Motorschakelaar
0 Gelijkrichter
q
Afstandsbedieningsaansluiting
w Zekering
e Gelijkrichter/regulator
r Voltage-afsteller
t Condensator
y AVR
u Olieverklikkereenheid
Kleurcode
B Zwart
Br Bruin
G Groen
L Blauw
Lg Lichtgroen
O Oranje
R Rood
W Wit
Y Geel
B/W Zwart/Wit
G/R Groen/Rood
G/Y Groen/Geel
L/R Blauw/Rood
L/W Blauw/Wit
R/B Rood/Zwart
R/G Rood/Groen
R/W Rood/Wit
i Olieverklikkerlampje
o Besparingseenheid
p Magneetklep
a Besparingsschakelaar
s Startrelais
d Startmotor
f Carburateurverwarming
g Magneetklep carburateur
h Accu
j Laadspoel
k T.C.I.-eenheid
l Bougie
; Olieniveauschakelaar
å Behalve voor OCEANIË
Voor OCEANIË
1
2
4
5
6
7
8 8
8 8
0
q
w
r
e
t
u
i
p
a
s
d
f
g
h
j
k
l
;
o
y
3
9
å
7P6-F8199-U0-D0.indd 53 2014/02/19 15:29:46

Table of Contents

Other manuals for Yamaha EF7200E

Related product manuals