EasyManua.ls Logo

Yamaha EF7200E - Page 482

Yamaha EF7200E
484 pages
Print Icon
To Next Page IconTo Next Page
To Next Page IconTo Next Page
To Previous Page IconTo Previous Page
To Previous Page IconTo Previous Page
Loading...
– 53 –
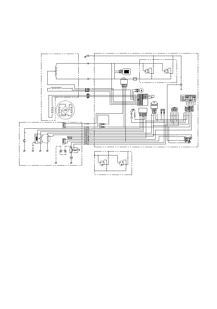
EF7200E
1 Susunan rotor
2 Kumparan medan exciter
3 Kumparan bawah
4 Kumparan utama
5 Susunan stator
6 Meteran tegangan/
hourmeter
7 Sakelar AC (N.F.B.)
8 Stop kontak AC
9 Sakelar mesin
0 Penyearah
q Terminal remote-control
w Sekring
e Penyearah/regulator
r Penyesuai tegangan
t Kondensor
y AVR
u Unit peringatan oli
Kode warna
B Hitam
Br Cokelat
G Hijau
L Biru
Lg Hijau muda
O Oranye
R Merah
W Putih
Y Kuning
B/W Hitam/Putih
G/R Hijau/Merah
G/Y Hijau/Kuning
L/R Biru/Merah
L/W Biru/Putih
R/B Merah/Hitam
R/G Merah/Hijau
R/W Merah/Putih
i Lampu peringatan oli
o Unit kontrol ekonomi
p Katup solenoid
a Sakelar kontrol ekonomi
s Relai starter
d Motor starter
f Pemanas karburator
g Katup solenoid karburator
h Aki
j Kumparan pengisian
k Unit T.C.I.
l Busi
; Sakelar level oli
å Kecuali OCEANIA
Untuk OCEANIA
1
2
4
5
6
7
8 8
8 8
0
q
w
r
e
t
u
i
p
a
s
d
f
g
h
j
k
l
;
o
y
3
9
å
7P6-F8199-U0-B0.indd 53 2014/02/19 15:13:57

Table of Contents

Other manuals for Yamaha EF7200E

Related product manuals