EasyManua.ls Logo

Yamaha EF7200E - Page 59

Yamaha EF7200E
484 pages
Print Icon
To Next Page IconTo Next Page
To Next Page IconTo Next Page
To Previous Page IconTo Previous Page
To Previous Page IconTo Previous Page
Loading...
– 52 –
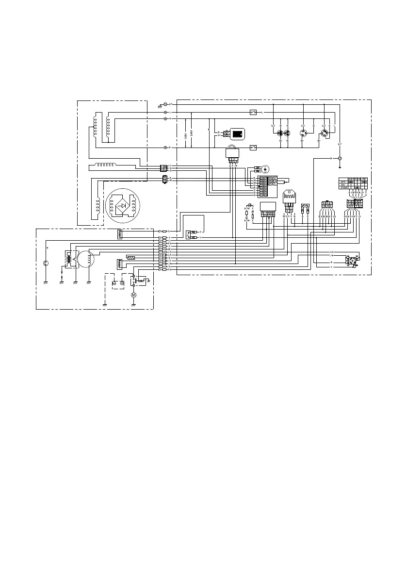
WIRING DIAGRAM
EF7200DE
1 Rotor assembly
2 Exciter field coil
3 Sub coil
4 Main coil
5 Stator assembly
6 Voltage/hour meter
7 AC switch (N.F.B.)
8 AC receptacle
9 Engine switch
0 Rectifier
q Remote control terminal
w Fuse
e Rectifier/regulator
r Voltage adjuster
t Condenser
y AVR
u Oil warning unit
i Oil warning light
Color code
B Black
Br Brown
G Green
L Blue
Lg Light green
O Orange
R Red
W White
Y Yellow
B/W Black/White
G/R Green/Red
G/Y Green/Yellow
L/R Blue/Red
L/W Blue/White
R/B Red/Black
R/G Red/Green
R/W Red/White
o Economy control unit
p Solenoid valve
a Economy control switch
s Starter relay
d Starter motor
f Carburetor heater
g Carburetor solenoid valve
h Battery
j Charging coil
k T.C.I. unit
l Spark plug
; Oil level switch
1
2
5
4
6
7
7
8 8
8 8
0
q
w
r
e
t
u
i
p
a
s
d
f
g
h
j
k
l
;
o
y
3
9

Table of Contents

Other manuals for Yamaha EF7200E

Related product manuals