EasyManua.ls Logo

Yamaha F100D - Page 107

Yamaha F100D
249 pages
Print Icon
To Next Page IconTo Next Page
To Next Page IconTo Next Page
To Previous Page IconTo Previous Page
To Previous Page IconTo Previous Page
Loading...
6D93G11
5-38
1
2
3
4
5
6
7
8
9
5
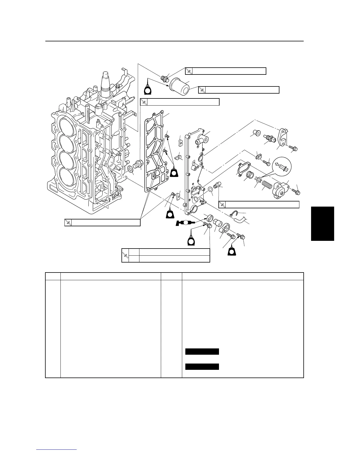
No. Part name Qty Remarks
18 Plug 1 M18
×
17 mm
19 Grommet 1
20 Anode 1
21 Cover 1
22 Bolt 1 M8
×
25 mm
23 Bolt 18 M6
×
30 mm
24 Bolt 1 M6
×
20 mm
25 Joint 1
26 Oil filter 1
27 Gasket 1
Not reusable
28 Plug 1 M14
×
12 mm
29 Plastic tie 1
Not reusable
30 Hose 1
S6D85090
23
18
5
6
7
14
12
11
19
20
21
24
22
4
1
27
28
15
16
13
9
10
8
E
E
AA
LT
271
T
R
.
.
23 N
m (2.3 kgf
m, 17.0 ft
Ib)
17
2
3
2
2
3
3
25
26
T
R
.
.
49 N
·
m (4.9 kgf
·
m, 36.1 ft
·
Ib)
T
R
.
.
55 N
·
m (5.5 kgf
·
m, 40.6 ft
·
Ib)
29
30
T
R
.
.
1 6 N
·
m (0.6 kgf
·
m, 4.4 ft
·
lb)
2 12 N
·
m (1.2 kgf
·
m, 8.9 ft
·
lb)
LT
271
T
R
.
.
2 N
·
m (0.2 kgf
·
m, 1.5 ft
·
Ib)
LT
271
T
R
.
.
18 N
·
m (1.8 kgf
·
m, 13.3 ft
·
Ib)
Exhaust cover

Table of Contents

Other manuals for Yamaha F100D

Related product manuals