EasyManua.ls Logo

Yamaha F100D - ECM

Yamaha F100D
249 pages
Print Icon
To Next Page IconTo Next Page
To Next Page IconTo Next Page
To Previous Page IconTo Previous Page
To Previous Page IconTo Previous Page
Loading...
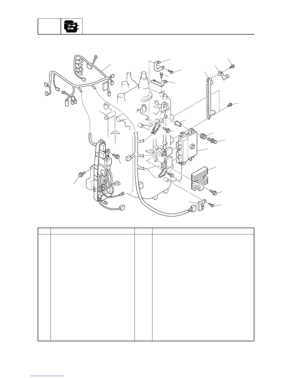
POWR
Power unit
5-21
6D93G11
ECM
5
No. Part name Qty Remarks
1 Wiring harness 1
2Bracket 1
3Bolt 2 M6
×
15 mm
4Bolt 2 M6
×
12 mm
5Bracket 1
6Bracket 1
7Bracket 1
8Bolt 2 M6
×
20 mm
9 Collar 4
10 Grommet 4
11 Bolt 4 M6
×
30 mm
12 ECM 1
13 Rectifier Regulator 1
14 Bolt 2 M6
×
25 mm
15 Bolt 2 M6
×
20 mm
16 Bracket 1
17 Bolt 5 M6
×
30 mm
S6D85050
1
2
3
4
5
3
8
9
10
11
12
13
14
4
16
17
17
15
7
6
15

Table of Contents

Other manuals for Yamaha F100D

Related product manuals