EasyManua.ls Logo

Yamaha F100D - Shimming

Yamaha F100D
249 pages
Print Icon
To Next Page IconTo Next Page
To Next Page IconTo Next Page
To Previous Page IconTo Previous Page
To Previous Page IconTo Previous Page
Loading...
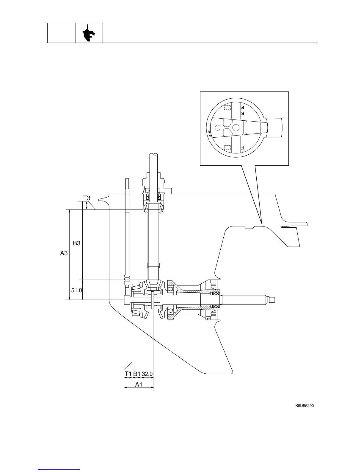
LOWR
Lower unit
6-25
6D93G11
Shimming
6

Table of Contents

Other manuals for Yamaha F100D

Related product manuals