EasyManua.ls Logo

Yamaha QL5 - Page 301

Yamaha QL5
367 pages
Print Icon
To Next Page IconTo Next Page
To Next Page IconTo Next Page
To Previous Page IconTo Previous Page
To Previous Page IconTo Previous Page
Loading...
HG F E D C B A
1
2
3
4
5
6
3
QL5/QL1
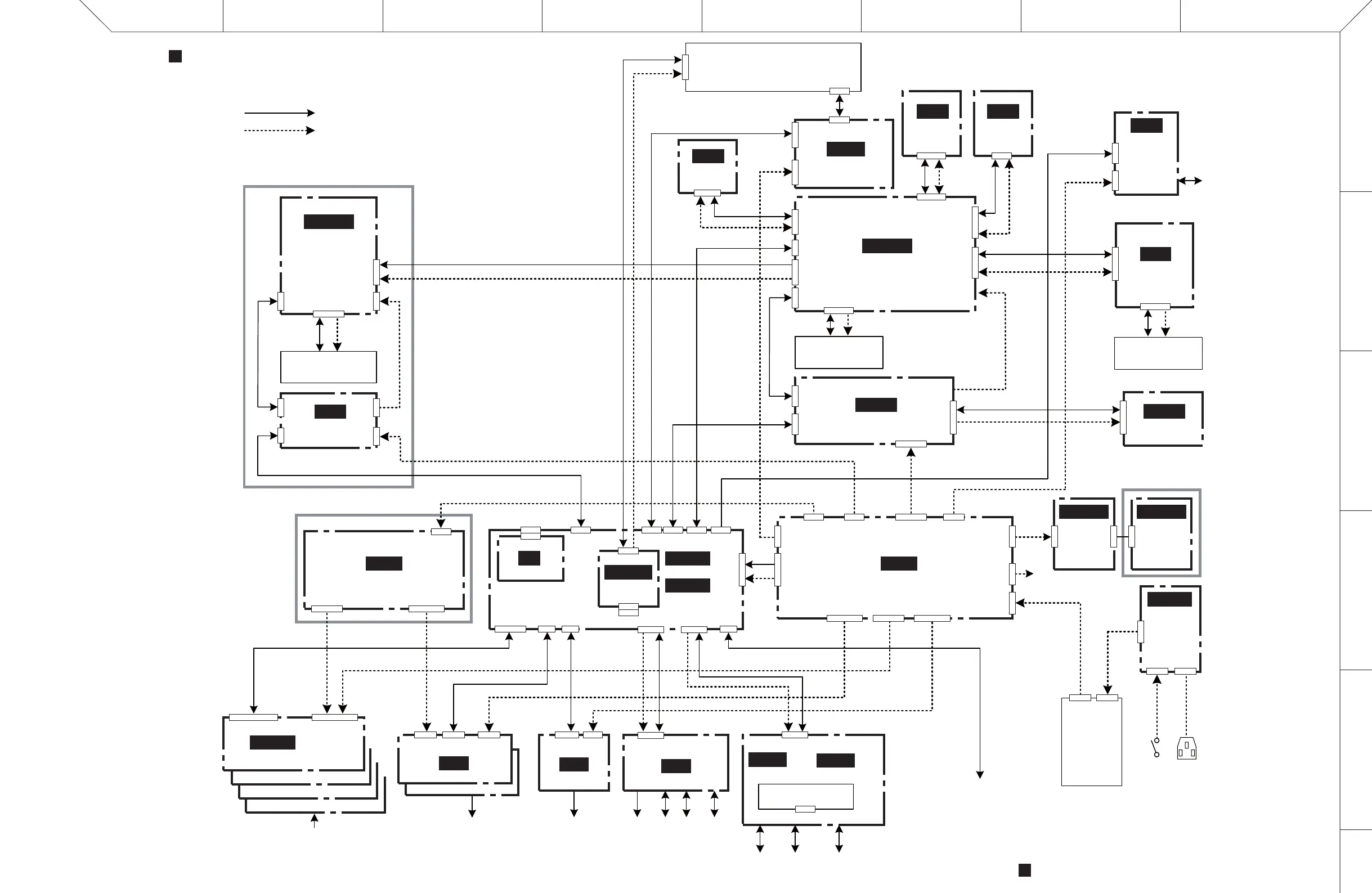
BLOCK DIAGRAM 001 (QL5/QL1)
BLOCK DIAGRAM 001 (QL5/QL1)
28CA1-2001135745-1
GENERAL DIAGRAM
(全体図)
Ch name LCD
AC IN
SLOT 1-2
QL5: OMNI OUT 1-16
QL1: OMNI OUT 1-8
Signal line
Power line
Ch name LCD
Ch name LCD
Dante
Primary
Dante
Secondary
QL5: INPUT 1-32
QL1: INPUT 1-16
PHONES
DIGITAL
OUT
GPI
WORD
CLOCK
In/Out
MIDI
In/Out
USB
Fan
Ethernet
for PC
See page 6
See page 6
See page 6
See page 6
See page 6
See page 5
See page 5
See page 5
See page 9
See page 9
See page 9,10
See page 6
See page 6
See page 6
See page 6
See page 6
See page 6
See page 6
See page 10
CN601-608
(12P)
CN601-608
(12P)
CN003(11P)
CN181(11P) CN281(4P)
POWER
SUPPLY
UNIT
POWER
SWITCH
QL5 only
QL5 only
QL5 only
(QL5)
(QL1)
(QL5)
(QL1)
QL5 only
(INPUT 25-32)
(INPUT 17-24)
PN16S
FD2
CN506
(22P)
CN101
(12P)
CN101
(12P)
CN001
(12P)
CN002
(7P)
CN001
(12P)
CN003
(11P)
DCS
DSP32
CPUQL
FX
DSP16
DNT5
DNT1
DCM
LCDC
PN16M
FD1M
FD1S
ACSW
LAMP1 LAMP2
PN2
USB
ENCPNR
PNL
DA
JK
HP
HAAD
(INPUT 1-8)
See page 8
(INPUT 9-16)
CN001(9P)
CN602
(7P)
CN601
(7P)
CN603
(8P)
CN103
(5P)
CN102
(6P)
CN402(20P)
CN351(180P)
CN601(180P)
CN101
(180P)
CN401(180P)
CN101(126P)
CN221(38P), CN222(38P)
CN221(38P),
CN222(38P)
CN031
(6P)
CN601
(40P)
CN751
(40P)
CN001
(12P)
CN182(11P)CN585(9P)
CN581(14P)
CN581(14P) CN584(6P)
CN202
(4P)
CN1
(3P)
CN2
(8P)
CN201
(2P)
CN901(23P) CN902(16P)
CN001
(14P)
CN903
(8P)
CN001(14P)
CN582(16P),
CN583(16P)
CN582(16P),
CN583(16P)
CN801(23P),
CN802(23P)
CN803(23P),
CN804(23P)
CN902
(8P),
CN903
(8P)
CN931
(12P)
CN651
(100P),
CN652
(100P)
Brooklyn2
(Dante module)
See page 4
See page 5
See page 7
See page 4
See page 8
(OMNI OUT 1-8)
See page 8
(OMNI OUT 9-16)
See page 4
QL5 only
QL5 only
QL5 only
QL5 only
QL5 only
QL5 only
QL5 only
QL5
only
QL5 only
(QL5 only)
(QL5 only)
CN501
(22P)
CN101
(12P)
CN001
(12P)
CN002
(7P)
CN102
(16P)
CN505
(8P)
CN102
(5P),
CN150
(4P)
CN101
(6P)
CN301(21P),
CN302(22P)
CN202
(4P)
CN201
(5P)
CN401(9P)
CN006(9P)
CN203
(2P)
CN301
(4P)
CN251
(2P)
CN101
(9P)
CN653(12P),
CN951(10P),
CN981(3P)
CN201(10P),
CN232(3P),
CN751(12P)
CN231
(3P)
CN001
(6P)
CN301
(4P)
CN401
(4P)
CN301(21P),
CN506(22P)
CN502(8P)
CN1
(20P)
FPC1(4P),
CN2(6P)
CN401(8P)
CN101(16P)
CN201(14P),
CN202(17P)
CN302(17P),
CN303(14P)
CN303(12P)
CN103(4P),
CN104(6P)
LCD Unit
/w Touch Panel

Table of Contents

Other manuals for Yamaha QL5

Related product manuals