EasyManua.ls Logo

Yamaha RX-A4A - DIGITAL P.C.B. Section

Yamaha RX-A4A
125 pages
Print Icon
To Next Page IconTo Next Page
To Next Page IconTo Next Page
To Previous Page IconTo Previous Page
To Previous Page IconTo Previous Page
Loading...
JIHGFEDCBA
1
2
3
4
5
6
7
55
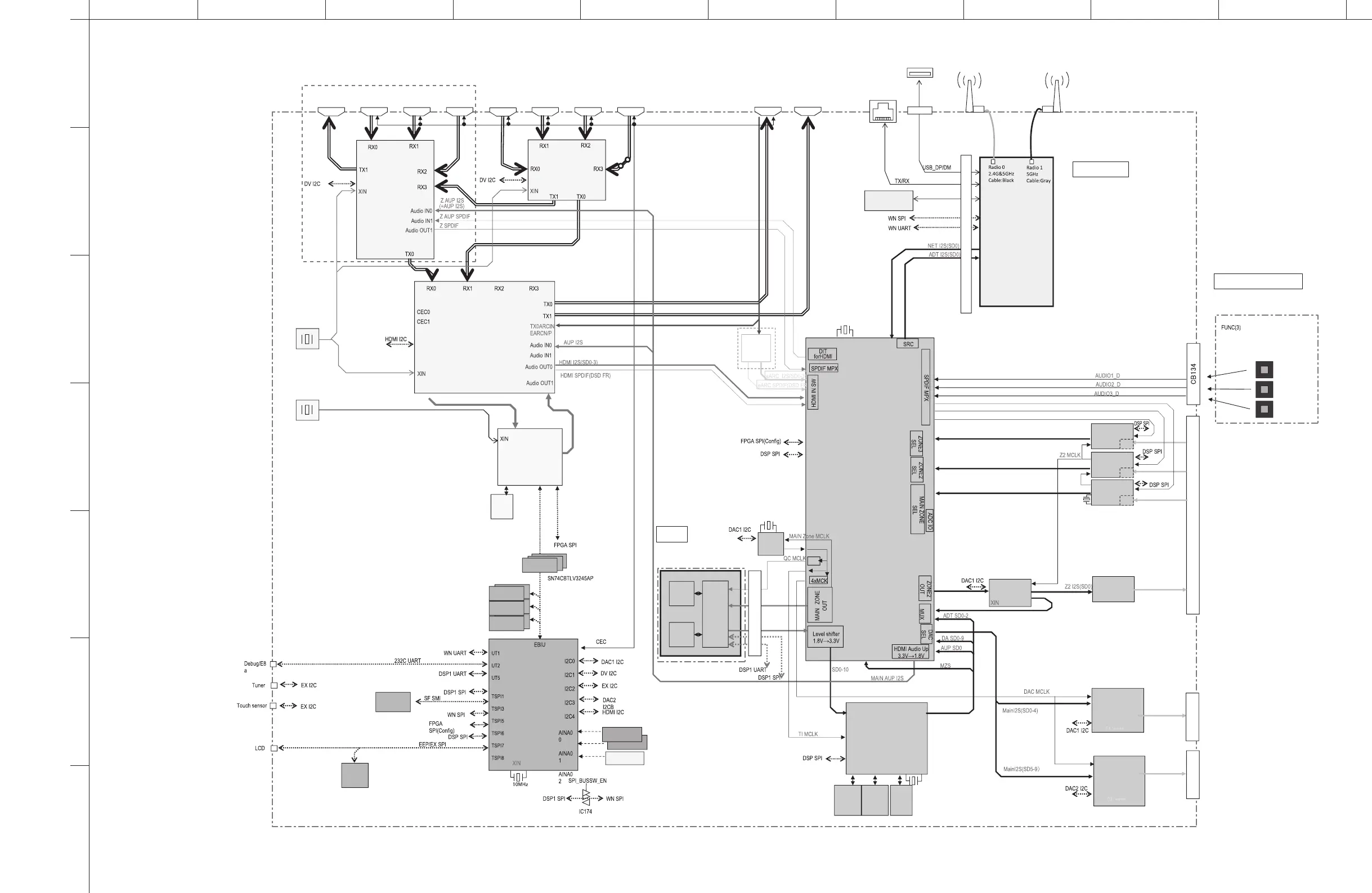
RX-A4A
DSP2
D81Y
IC114
IN1IN2
IN3
OUT2
AUDIO 1
AUDIO 2
AUDIO 3
OUT1
IN5IN6
IN7
ZONE 2/4
OUT3
HDMI SW2
MN864807
IC2
HDMI SW1
MN864807
IC1
HDMI Repeater
MN864807
IC21
FPGA GUI
EP4CE15
IC54
SDRAM
256Mbit
IC59
HRX_16bit
HTX1_20bit
27MHz
WiFi Module
WN9711
Apple
Authentification
IC158
Main CPU
M4G
IC92
Ethernet
CB131
USB
IC85
HDMI THM
TH21
Analog MUX
IC84
EEPROM
256Kbit
IC90
SerialFlash
128Mbit
IC93
16bit
Antenna
DFF2
DFF1
IC80,81
DFF3
IC82,83
B_IN20
61NI_A
02TUO_A
B_OUT8
CB135
0 x 10
070
010
CEC
IC86,87
eARC
Sii9437
IC30
IN4
Antenna
25MHz
Q8-23
D4-23
FPGA AUDIO
IC155
SDRAM
128M
IC116
Serial
Flash
32M
IC113
SDRAM
128M
IC115
PCBDSP
DAC1
IC136
A4A:SABRE9007S
A6A:ES9026PRO
A8A:ES9026PRO
CX:****
DAC2
IC137
A4A:No use
A6A:SABRE9007S
A8A:ES9026PRO
CX:****
22.8MHz
Zone2 DAC
PCM5101
IC135
Zone2 DSP
YSS952
IC130
24.576MHz
DIR3
PCM9211
IC102
CB124CB123
CS2100
IC105
MC用
1.8v
AD
C
DIR2
PCM9211
IC103
AD
C
DIR1
PCM9211
IC104
AD
C
24.576MHz
CB125
未使用
nouse
20MHz
CB110
CB132
Busswitch
IC170,171,172
QCS407
IC801
eMMC
8GB
IC802
LPDDR3
1GB
IC803
• See page 79–86
CIRCUIT DIAGRAM
DIGITAL
• See page 87–91
CIRCUIT DIAGRAM
DSP
• See page 94
CIRCUIT DIAGRAM
FUNCTION (3)
DIGITAL P.C.B. Section Block Diagram

Table of Contents

Related product manuals