EasyManua.ls Logo

YASKAWA LA500 - Circuito de Desactivación Segura; Habilitación y Deshabilitación de la Salida del Variador; Desactivado)

YASKAWA LA500
272 pages
Print Icon
To Next Page IconTo Next Page
To Next Page IconTo Next Page
To Previous Page IconTo Previous Page
To Previous Page IconTo Previous Page
Loading...
5 Español
YASKAWA TOMPYEULA5001C LA500 Installation and Operation Instructions 167
Nota:
Cuando utiliza un variador con una función de seguridad incorporada, debe sustituirlo al cabo de 10 años desde su
primer uso.
Desde la desactivación de los terminales H1 o H2 hasta que el variador pasa al estado "Par seguro desactivado"
transcurrirán como máximo 3 ms. Ajuste el estado de desactivación de los terminales H1 y H2 a 3 ms como mínimo.
Es posible que el variador no pueda pasar al estado "Par seguro desactivado" si los terminales H1 y H2 solo están
abiertos durante menos de 3 ms.
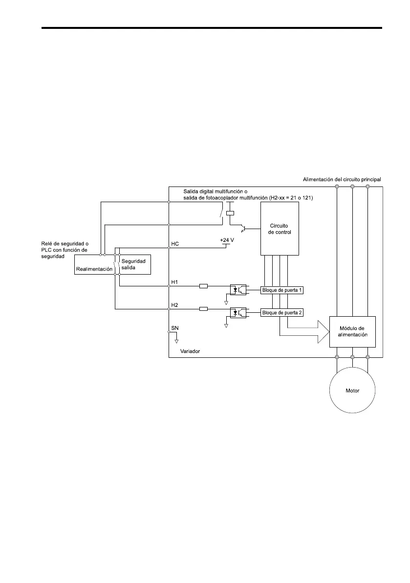
Circuito de desactivación segura
El circuito de desactivación segura tiene dos canales aislados (terminales H1 y H2) que paran
los transistores de salida. La entrada puede utilizar la fuente de alimentación interna del
variador.
Ajuste la función EDM en uno de los terminales MFDO [H2 -xx = 21 o 121] para monitorizar el
estado de la función de desactivación segura. Esta es la "función de salida de monitor de
desactivación segura".
Figura 5.12 Ejemplo de cableado de la función de desactivación segura
Habilitación y deshabilitación de la salida del variador ("Par seguro
desactivado")
Consulte Figura 5.13 para ver un ejemplo de funcionamiento del variador cuando el variador
pasa del estado "Par seguro desactivado" a funcionamiento normal.

Table of Contents

Other manuals for YASKAWA LA500

Related product manuals