EasyManua.ls Logo

YASKAWA LA500 - ObwóD Bezpiecznego Wyłączania; Włączanie I Wyłączanie Wyjścia Falownika; Obrotowego)

YASKAWA LA500
272 pages
Print Icon
To Next Page IconTo Next Page
To Next Page IconTo Next Page
To Previous Page IconTo Previous Page
To Previous Page IconTo Previous Page
Loading...
7 Polski
YASKAWA TOMPYEULA5001C LA500 Installation and Operation Instructions 231
OSTRZEŻENIE
Zagrożenie nagłym ruchem. Monitora bezpiecznego wyłączania
(wielofunkcyjny terminal wyjściowy ustawiony na funkcję EDM) należy używać tylko do monitorowania stanu
bezpiecznego wyłączenia lub do stwierdzenia usterki wejść bezpiecznego wyłączenia. Wyjście monitorujące nie
jest wyjściem bezpieczeństwa. Nieprawidłowe użycie monitora bezpiecznego wyłączania może spowodować
śmierć lub poważne obrażenia.
Uwaga:
W przypadku używania przemiennika z wbudowaną funkcją bezpieczeństwa, należy go wymienić po 10 latach od
pierwszego użycia.
Maksymalny czas od odcięcia zacisku H1 lub H2 do przejścia przemiennika do statusu Bezpieczne wyłączanie
momentu obrotowego wynosi 3 ms. Ustaw utrzymywanie statusu OFF (Wył.) dla zacisków H1 i H2 przez co
najmniej 3 ms. Przejście przemiennika do statusu Bezpieczne wyłączanie momentu obrotowego może być
niemożliwe, jeśli zaciski H1 i H2 otwarte przez czas krótszy niż 3 ms.
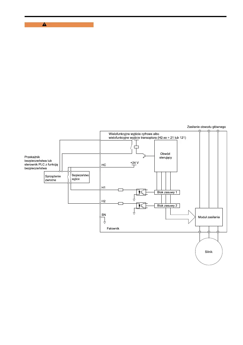
Obwód bezpiecznego wyłączania
Obwód bezpiecznego wyłączania jest wyposażony w dwa izolowane kanały (zaciski H1 i H2)
zatrzymujące tranzystory wyjścia. Wejście może korzystać z wewnętrznego zasilania falownika.
Ustaw funkcję EDM na jeden z zacisków MFDO [H2-xx = 21 lub 121] w celu monitorowania
statusu funkcji bezpiecznego wyłączania. Stanowi to funkcję wyjścia monitorującego
bezpiecznego wyłączania.
Rysunek 7.12 Przykładowy schemat obwodu dla funkcji bezpiecznego wyłączania
Włączanie i wyłączanie wyjścia falownika („Bezpieczne wyłączanie momentu
obrotowego”)
Na poniższym rysunku Rysunek 7.13 przedstawiono przykład zachowania falownika podczas
przejścia z trybu Bezpiecznego wyłączania momentu obrotowego w tryb normalnej pracy.

Table of Contents

Other manuals for YASKAWA LA500

Related product manuals