EasyManua.ls Logo

YASKAWA SGMAS - Three-Phase 200 V, 1.5 Kw to 3.0 Kw Models

YASKAWA SGMAS
177 pages
Print Icon
To Next Page IconTo Next Page
To Next Page IconTo Next Page
To Previous Page IconTo Previous Page
To Previous Page IconTo Previous Page
Loading...
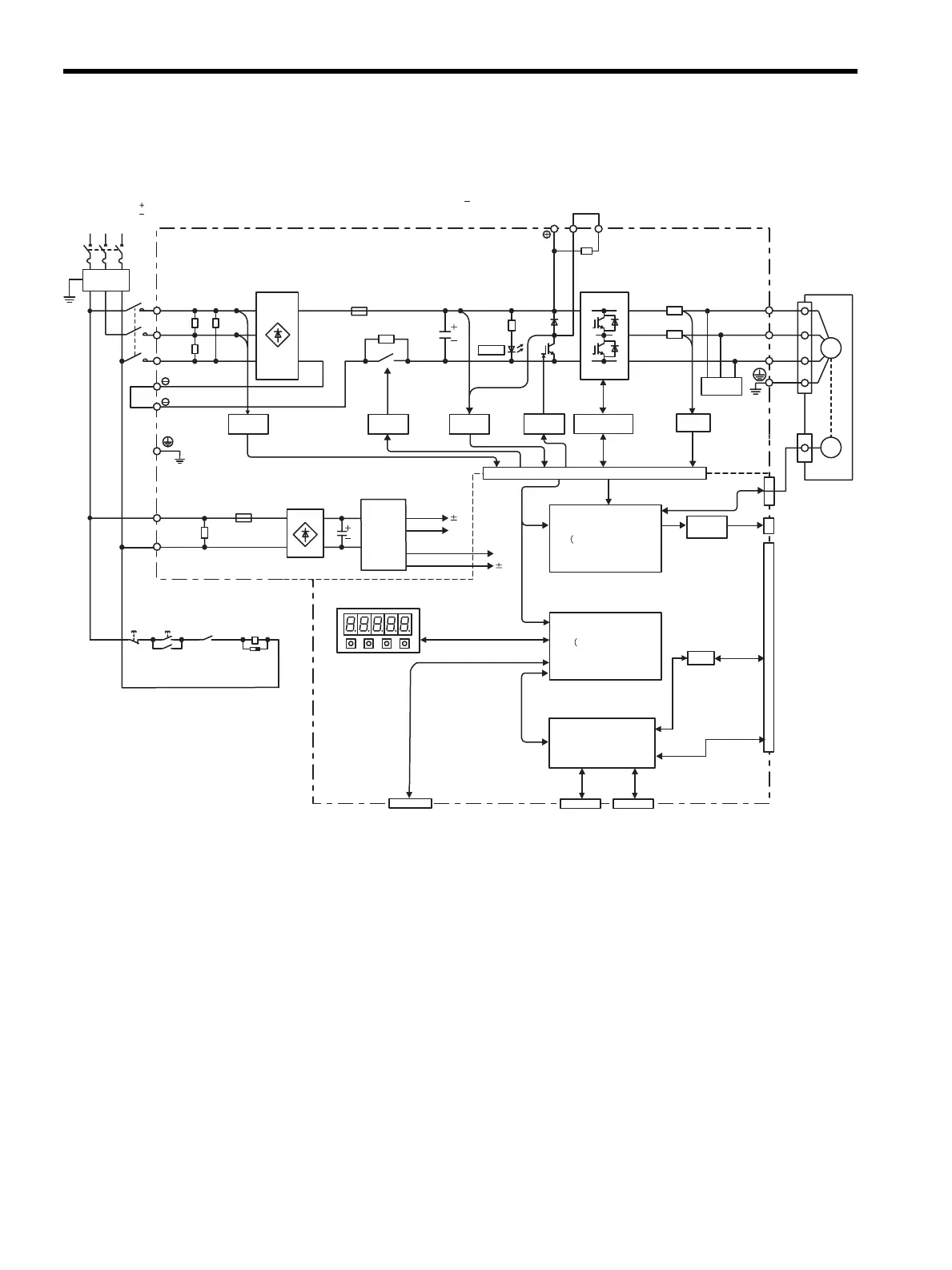
3 SERVOPACK Specifications and Dimensional Drawings
3.3.5
Three-phase 200 V, 1.5 kW to 3.0 kW Models
3-10
3.3.5 Three-phase 200 V, 1.5 kW to 3.0 kW Models
10%
15%
CN10
1KM
L1
B1/ B2 B3
L2
L3
1
2
L1C
L2C
U
V
W
+15V
5V
12V
+5V
CN3
1KM
1KM
1Ry
CN2
PG
CHARGE
CN5
CN1
M
CPU
Position/speed
calculation, etc.)
Three-phase 200 V, 1.5 kW to 3.0 kW Model SGDS A∗∗A (=15 to30)
Three-phase
200 to 230 V
(50/60 Hz)
Noise
filter
Control
power
supply
Panel operator
Digital Operator
Personal computer
Current
sensor
Surge
protector
Power
OFF
Power
ON
Open during
Servo alarm
Servomotor
Gate
drive
Analog
voltage
convertor
Voltage
sensor
Voltage
sensor
Varistor
Varistor
Gate drive over-
current protection
Relay
drive
Dinamic
brake circuit
ASIC
PWM control, etc.)
Sequence I/O
External encoder
FPGA (SynqNet
communications)
CN6A CN6B
SynqNet
I/O
chap3.fm 10 ージ 041025 月日 後112

Table of Contents

Related product manuals