EasyManua.ls Logo

York MILLENNIUM YCAR0315 - FIG. 27 - Connection Diagram, System Wiring

York MILLENNIUM YCAR0315
160 pages
Print Icon
To Next Page IconTo Next Page
To Next Page IconTo Next Page
To Previous Page IconTo Previous Page
To Previous Page IconTo Previous Page
Loading...
73
YORK INTERNATIONAL
FORM 150.52-NM2 (1001)
315 - 385
415 - 525
575 - 685
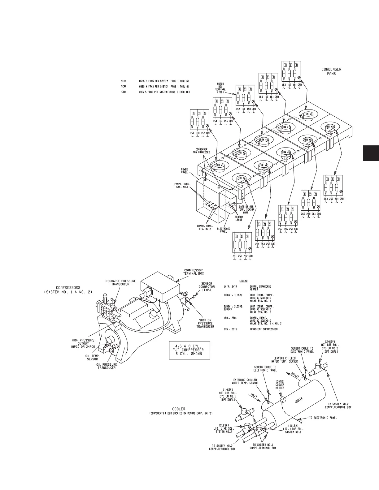
YCAR0315 - 0685 WIRING DIAGRAM
CONNECTION DIAGRAM – SYSTEM WIRING
ACROSS-THE-LINE-START
FIG. 27 – CONNECTION DIAGRAM, SYSTEM WIRING – ACROSS-THE-LINE START
LD07265
7

Table of Contents

Related product manuals