EasyManua.ls Logo

York MILLENNIUM YCAR0315 - FIG. 31 - Control Circuit - Detail A

York MILLENNIUM YCAR0315
160 pages
Print Icon
To Next Page IconTo Next Page
To Next Page IconTo Next Page
To Previous Page IconTo Previous Page
To Previous Page IconTo Previous Page
Loading...
77
YORK INTERNATIONAL
FORM 150.52-NM2 (1001)
YCAR0315 - 0685 WIRING DIAGRAM
CONTROL CIRCUIT
LD04926
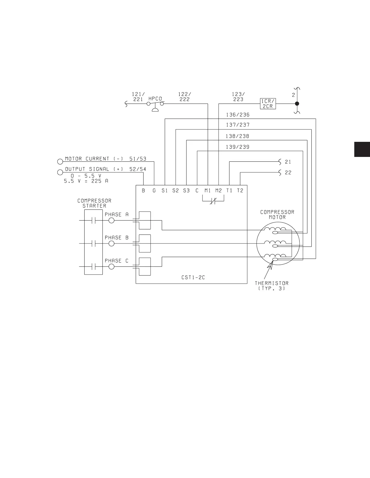
FIG. 31 – CONTROL CIRCUIT – DETAIL “A”
7

Table of Contents

Related product manuals