EasyManua.ls Logo

ABB COMMANDER 351 - Page 44

ABB COMMANDER 351
104 pages
Print Icon
To Next Page IconTo Next Page
To Next Page IconTo Next Page
To Previous Page IconTo Previous Page
To Previous Page IconTo Previous Page
Loading...
42
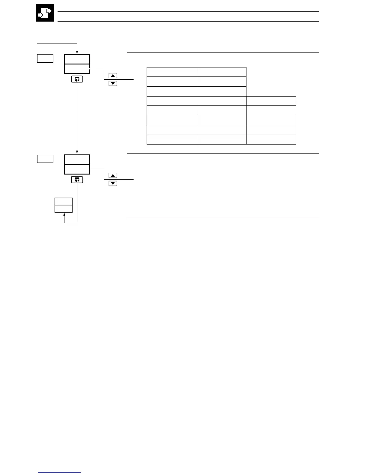
4.2 Level 6 Basic Configuration 6.03...6.06
Control Action
Mains Rejection Frequency
Used to filter mains frequency pick-up on external analog input wiring.
[50 or 60Hz]
Return to top of page.
•1 Not displayed for auto/manual or indicatortemplates.
•2 Not displayed if Heat/Cool output types selected – see parameter 6.02.
•3 Displayed only if Heat/Cool output types selected – see parameter 6.02.
6.06
rEU
C.ACt
6.03
•1
LEV.6
APPL
50
F.rEJ
4 CONFIGURATION MODE
pooLelgniS1tuptuO
2
VEr
esreveR
2
rid
tceriD
looC/taeH)taeH(1tuptuO)looC(2tuptuO
3
d-r
esreveRtceriD
3
r-r
esreveResreveR
3
r-d
tceriDesreveR
3
d-d
tceriDtceriD

Table of Contents

Related product manuals