EasyManua.ls Logo

ABB COMMANDER 351 - Page 47

ABB COMMANDER 351
104 pages
Print Icon
To Next Page IconTo Next Page
To Next Page IconTo Next Page
To Previous Page IconTo Previous Page
To Previous Page IconTo Previous Page
Loading...
45
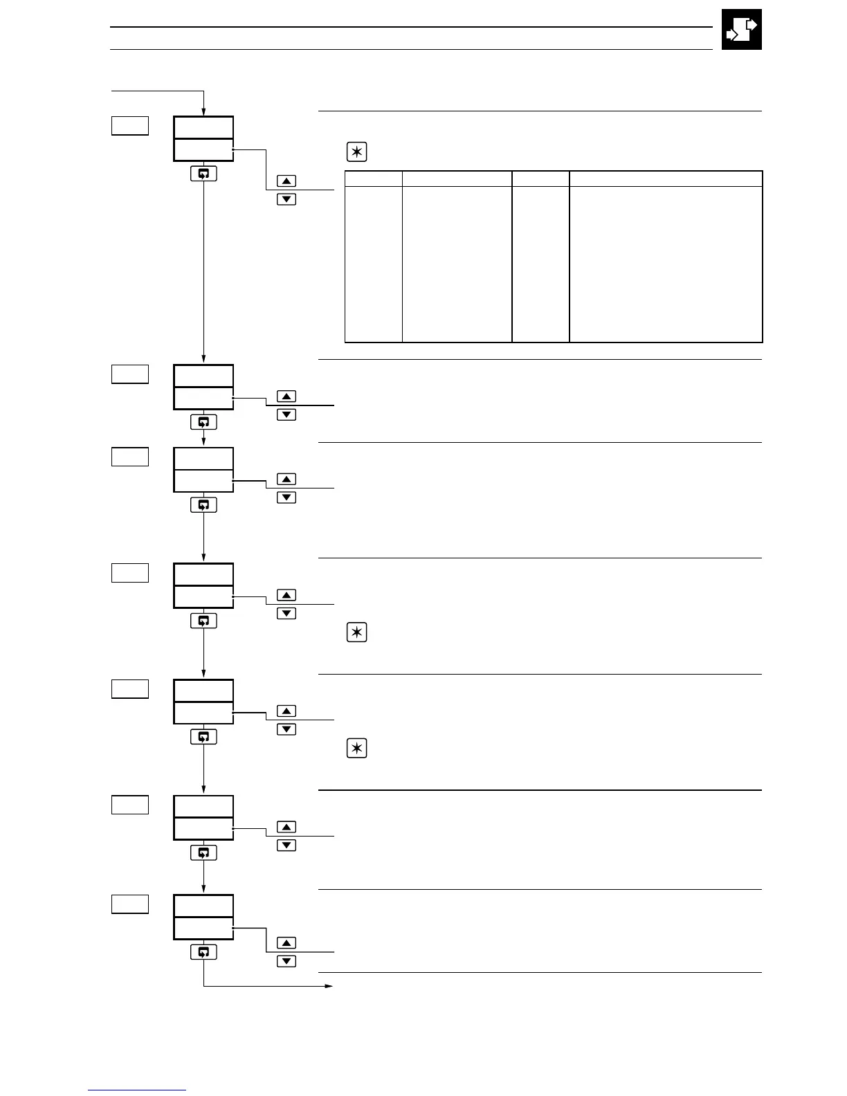
4.3 Level 7 Analog Inputs
1000
En2.H
7..11
0
dP.2
7..10
C
UNt2
7.09
2
tYP2
7.08
0
En2.L
7.12
•1
•2
UP
bsd.2
7.13
0
FLt.2
7.14
•3
7.08...7.14
Analog Input Type & Electrical Range (I/P2)
Note. THC inputs can only be used on I/P2 if I/P1 is also set to THC.
Temperature Units (I/P2)
C THC readings displayed in °C
F THC readings displayed in °F
Decimal Places (Engineering Range, I/P2)
0 XXXX
1 XXX.X
2 XX.XX
3 X.XXX
Engineering High (I/P2)
[–999 to 9999]
Note. This parameter defaults to the maximum allowed value when
THC input type is selected – see Table 4.1.
Engineering Low (I/P2)
[–999 to 9999]
Note. This parameter defaults to the minimum allowed value when
THC input is selected – see Table 4.1.
Broken Sensor Drive (I/P2)
NONE No action. Actual input values remain valid.
UP Input driven to the maximum upscale value (999)
dN Input driven to the minimum downscale value (–999)
Filter Time Constant (I/P2)
The input values are averaged over the time set.
[0 to 60 seconds]
Continued…
4 CONFIGURATION MODE
•1 Frames 7.09 to 7.14 are not displayed if Analog Input Type 2 is set to 'OFF'.
•2 Displayed only if THC input type is selected.
•3 When i/p 2 is assigned to a remote set point input, it is displayed with the same number of decimal places as
the associated process variable.
yalpsiDnoitpircseDyalpsiDnoitpircseD
FFO
desUtoN
t
1epyTCHT
b
BepyTCHT
1
Am02ot0
E
EepyTCHT
2
Am02ot4
J
JepyTCHT
6
Vm05ot0
K
KepyTCHT
7
reziraeniltoorerauqsAm02ot4
L
LepyTCHT
8
2/3rewopAm02ot4
N
NepyTCHT
9
2/5rewopAm02ot4
r
RepyTCHT
U
motsuC
S
SepyTCHT

Table of Contents

Related product manuals