EasyManua.ls Logo

ABB COMMANDER 351 - Page 53

ABB COMMANDER 351
104 pages
Print Icon
To Next Page IconTo Next Page
To Next Page IconTo Next Page
To Previous Page IconTo Previous Page
To Previous Page IconTo Previous Page
Loading...
51
SEt.P
LEV9
9.00
0
SPt.L
9.03
1000
SPt.H
9.02
9.01
OFF
trCK
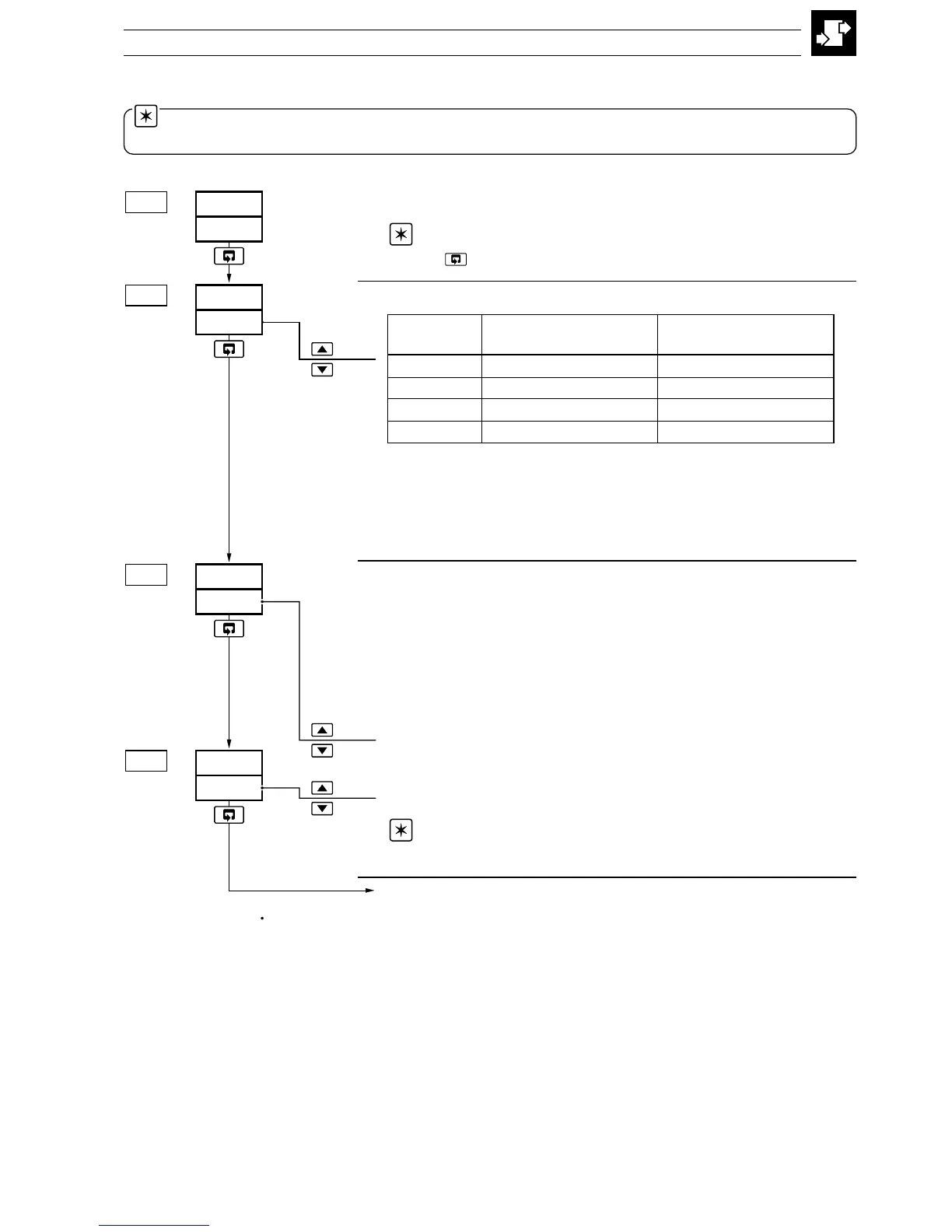
4.5 Level 9 Set Point Configuration
Note. Level 9 is not applicable when an Indicator template (templates 7 and 8) or an Auto/Manual station
template (templates 3 and 4) is selected.
9.00...9.03
4 CONFIGURATION MODE
Level 9 Set Point Configuration
Note. To select this frame from anywhere in this page, press and
hold the
key for a few seconds.
Set Point Tracking Enable
Local Set Point Tracking – the local set point tracks the process variable
when manual mode is selected.
Remote Set Point Tracking – local set point tracks the remote set point
when in remote set point mode. If the controller is put into manual mode
the set point reverts from remote to local.
Set Point Limits
The set point limits define the maximum and minimum values to which
the local and/or remote set points can be adjusted.The set point limits do
not apply when in Manual mode with local set point tracking enabled. If
the set point is outside its limits when Automatic mode is selected, the set
point value can only be adjusted towards its limits. Once within the limits
they apply as normal.
Control Set Point (CSPT) High Limit
[–999 to 9999 in engineering units]
Control Set Point (CSPT) Low Limit
[–999 to 9999 in engineering units]
Note. Operator level adjustment of the set point can be disabled –
see Section 4.7, Operator Configuration/ Set Point Adjustment Enable.
Continued…
•1 Only available if a remote set point template is selected.
yalpsiD
tnioPteSlacoL
gnikcarT
tnioPteSetomeR
gnikcarT
FFO
FFOFFO
COL
NOFFO
MEr
FFONO1
r-L
NONO1

Table of Contents

Related product manuals