EasyManua.ls Logo

ABB COMMANDER 351 - Level B - Operator Configuration

ABB COMMANDER 351
104 pages
Print Icon
To Next Page IconTo Next Page
To Next Page IconTo Next Page
To Previous Page IconTo Previous Page
To Previous Page IconTo Previous Page
Loading...
57
4 CONFIGURATION MODE
4.6 Level A Control Configuration
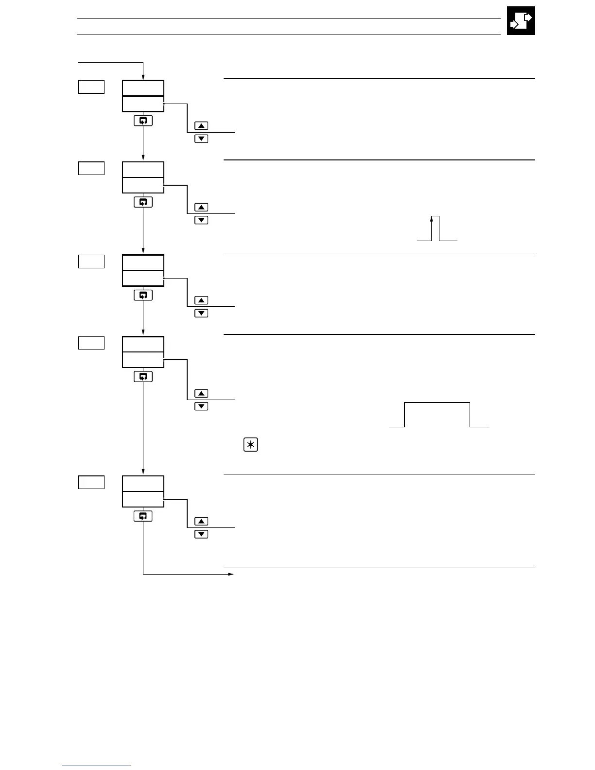
Configured Output 1
The control output value required when manual is selected by manual
mode source 1.
[0 to 100% or LAST (non-heat/cool)]
[–100 to 100% (heat/cool only)]
Manual Mode Selection Source 2
The digital source required to select manual mode and Configured
Output 2.
See Rear Fold-out/ Table C –
Digital Sources.
Configured Output 2
The control output value required when manual is selected by manual
mode source 2.
[0 to 100% or LAST (non-heat/cool)]
[–100 to 100% (heat/cool only)]
Auto/Manual Selection Source
Used with auto/manual station.
The source required to lock into manual mode with Configured Output 3.
Switching from manual to auto is not possible via the front panel.
See Rear Fold-out/ Table C –
Digital Sources.
Note. If template 3 is selected, the source is assigned to alarm 1. If
template 4 is selected, the source is assigned to digital input 1.
Configured Output 3
The control output value required when manual mode is selected by the
auto/manual selection source.
[0 to 100% or LAST (non-heat/cool)]
[–100 to 100% (heat/cool only)]
Continued…
A.13...A.17
•1 Digital inputs are active when a volt free contact is closed or a low TTL signal is applied
OFF
AM.5r
0.0
COP.3
A.16
A.17
0.0
C.OP2
A..15
OFF
M5r2
A..14
0.0
C.OP1
A.13
Auto
Manual with output =
C.OP2 •1
Auto
Manual with output =
C.OP3 •1
Auto

Table of Contents

Related product manuals