EasyManua.ls Logo

ABB COMMANDER 351 - Level C - Output Assignment Configuration

ABB COMMANDER 351
104 pages
Print Icon
To Next Page IconTo Next Page
To Next Page IconTo Next Page
To Previous Page IconTo Previous Page
To Previous Page IconTo Previous Page
Loading...
59
4.7 Level B Operator Configuration
Level B Operator Configuration
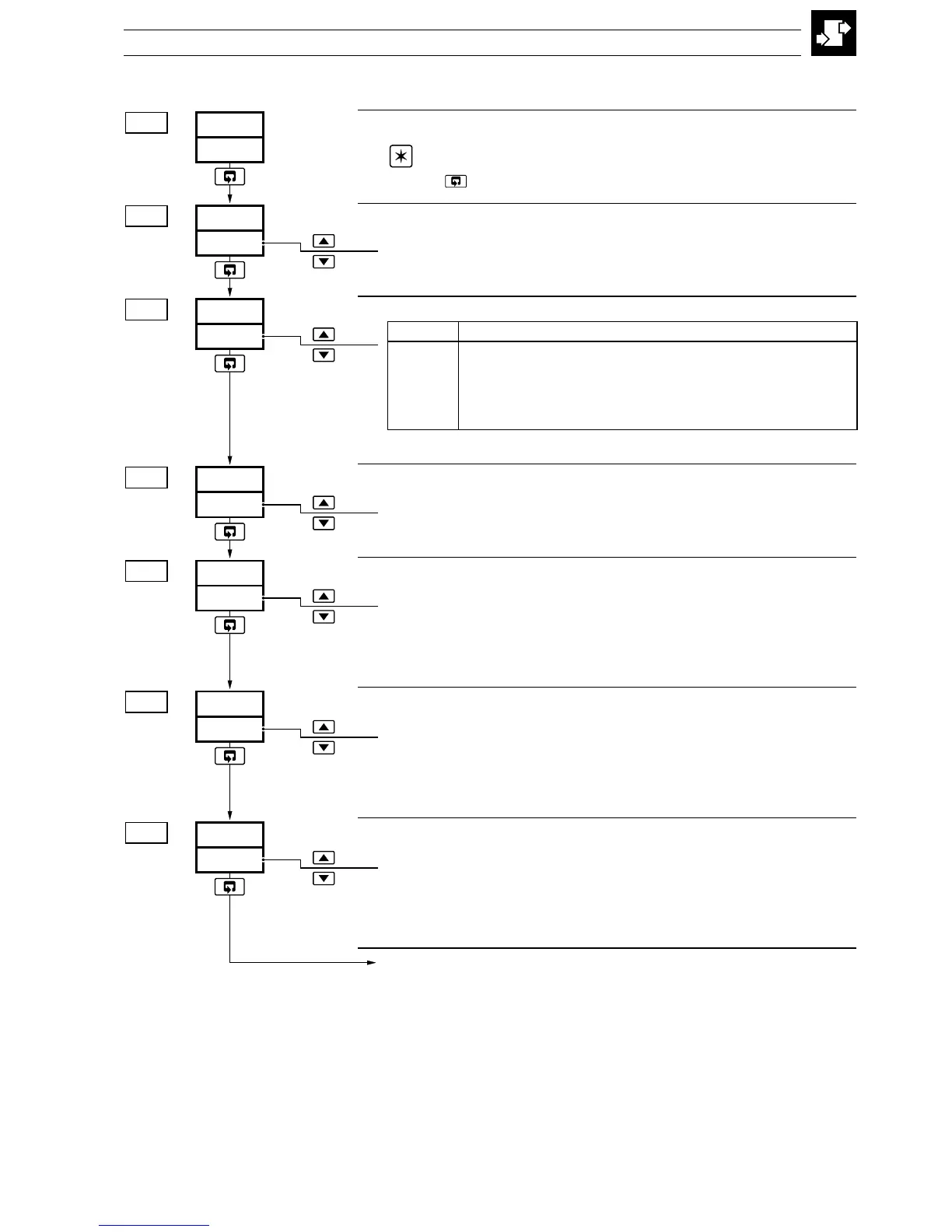
Note. To select this frame from anywhere in this page, press and
hold the
key for a few seconds.
Front Panel Auto/Manual Key Enable
YES Enabled
NO Disabled
Front Panel Local/Remote Key Enable
Front Panel Alarm Acknowledge Key Enable
YES Enabled
NO Disabled
Operator Level Set Point Adjustment Enable
YES Enabled
NO Disabled
Operator Ratio Display
YES Ratio setting for Remote set point displayed in
operator level.
NO Ratio setting for Remote set point not displayed in
operator level.
Operator Bias Display
YES Bias setting for Remote set point displayed in
operator level.
NO Bias setting for Remote set point not displayed in
operator level.
Continued…
4 CONFIGURATION MODE
•1 Not displayed if the Indicator template is in use.
•2 Displayed only if a template with remote set point is selected.
OPEr
LEVb
b.00
NO
r.d15
NO
b.d15
b.05
b.06
YES
S.AdJ
b.04
YES
FPAK
b.03
Lr
FPLr
b.02
YES
FP.AM
b.01
•1
•1
•1
•1
•2
•1
•2
b.00...b.06
yalpsiDnoitcAyeKetomeR/lacoL
ON
.elbasidyeketomeR/lacoL
rL
.sedomtnioptesetomerdnalacolneewtebsehctiwS
L2
.2ro1tniopteslacolstceleS
L3
.3ro2,1tniopteslacolstceleS
L4
.4ro3,2,1tniopteslacolstceleS

Table of Contents

Related product manuals