EasyManua.ls Logo

ABB PQFM - Electrical Interconnection of PQFM Cubicles and IP00 Plates

ABB PQFM
229 pages
Print Icon
To Next Page IconTo Next Page
To Next Page IconTo Next Page
To Previous Page IconTo Previous Page
To Previous Page IconTo Previous Page
Loading...
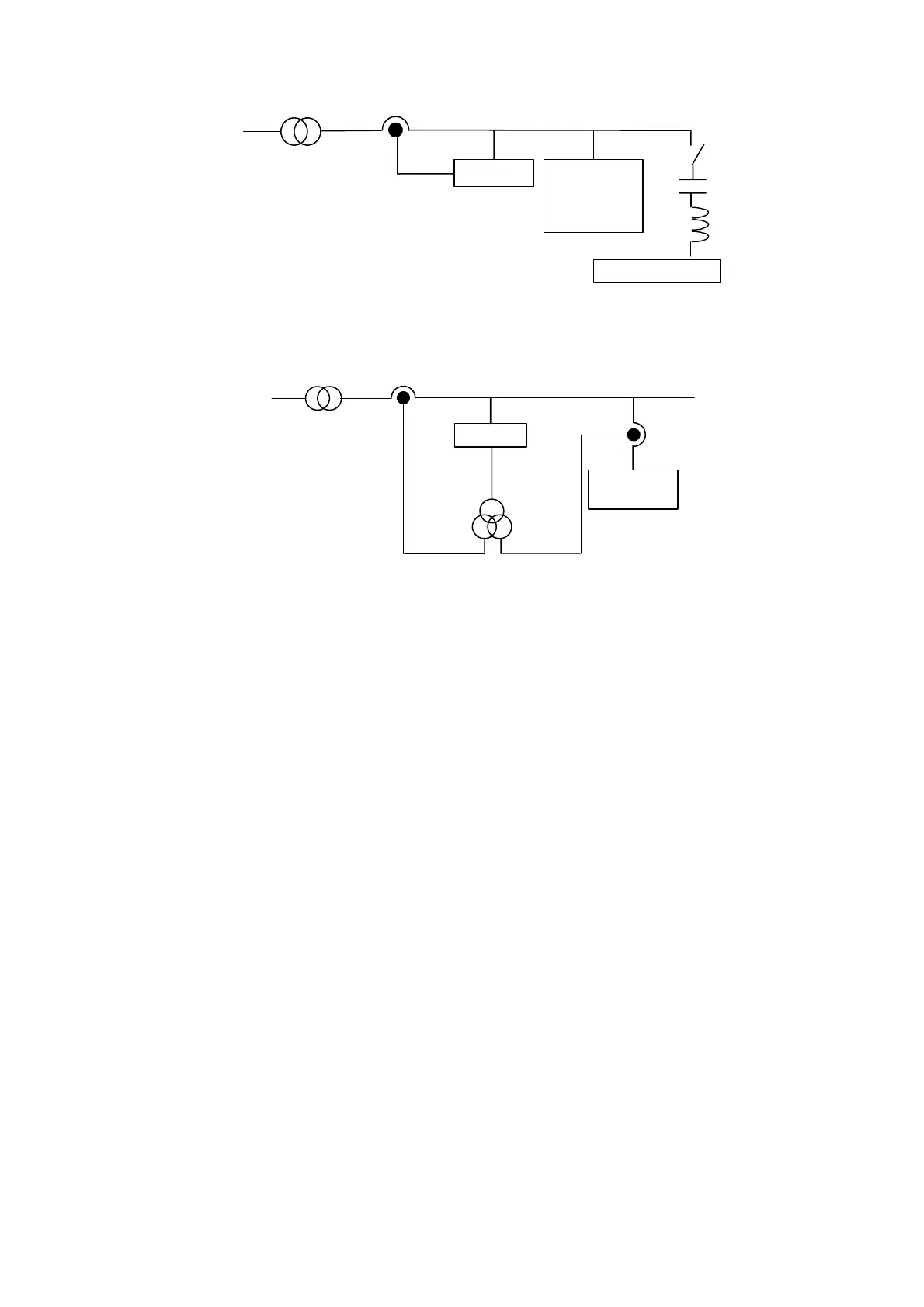
Manual Power Quality Filter PQFM Electrical design and installation 69
Feeding
transformer
Filter CTs
Linear and
non-linear
loads
PQFx
Passive filter
Figure 52: Connection diagram to be avoided
Feeding
transformer
Filter CTs
Passive
filter
PQFx
+ -
Figure 53: CT connection guidelines for the case that a passive filter is installed downstream of
the active filter
Note that under all conditions when a passive filter and an active filter are installed on
the same bus as per the guidelines above, it is not recommended to select on the active
filter the harmonics at or below the tuning frequency of the passive filter. Under these
conditions, the SDP function may stop filtering the affected harmonics temporarily
resulting in a reduced overall filtering performance.
6.11 Electrical interconnection of PQFM cubicles and IP00 plates
This section explains how to electrically interconnect different PQFM cubicles and IP00
plates.
Figure 54 shows schematically which interconnections have to be made between two
filter cubicles or IP00 plates.

Table of Contents