EasyManua.ls Logo

ABB ProcessMaster FEM631 - Page 42

ABB ProcessMaster FEM631
138 pages
Print Icon
To Next Page IconTo Next Page
To Next Page IconTo Next Page
To Previous Page IconTo Previous Page
To Previous Page IconTo Previous Page
Loading...
42
FEM630 | ELECTROMAGNETIC FLOWMETER | OI/FEM630-EN REV. A
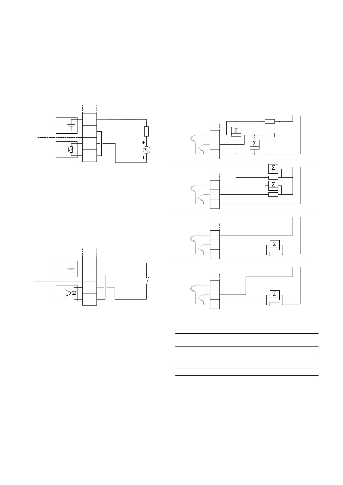
Active current output V3 / V4
When the ‘loop power supply 24 V DC, blue’ plug-in card is
used, the current output on the plug-in card can also be wired
as the active current output.
Connection versions digital output 41 / 42, 51 / 52
Depending on the wiring of digital outputs DO 41 / 42 and 51
/ 52, they can be used parallel or only individually. The
electrical isolation between the digital outputs also depends
on the wiring.
Digital input V3 / V4 active
When the ‘loop power supply 24 V DC, blue’ plug-in card is
used, the current output on the plug-in card can also be wired
as the active current output.
6 ...Electrical connections
...Pin assignment
Loop power supply (blue)’ plug-in card in slot 1
Passive current output (red)’ plug-in card in slot 2
Loop power supply (blue)’ plug-in card in slot 1
Passive digital input (yellow)’ plug-in card in slot 2
A
B
A
B
G11742-01
A
V2-
V1+
IE
+24 V, max. 25 mADC
0V
4 ... 20 mA
V3+
V4-
B
OC1
OC2
R
B
Figure 51 Active current output V3 / V4 (example)
Figure 53 Connection versions digital
output 41 / 42 and 51 / 52
Figure 52 Active digital output V3 / V4 (example)
G11914
A
V2-
V1+
IE
+24 V, max. 25 mADC
0V
B
V4-
V3+
OC2
OC1
G12392
A
41+
51+
IE
42-/
52-
R
B
U
B
R
B
012345
1
012345
2
B
41+
51+
IE
42-/
52-
R
B
+-
U
B
+-
R
B
012345
2
R
B
012345
1
C
41+
51+
IE
42-/
52-
U
B
+-
012345
R
B
D
41+
51+
IE
42-/
52-
U
B
+-
012345

used parallel

electrically isolated
A
Yes No
B
Yes Yes
C
 No
D
 No
Table 1 Connection versions digital output

Table of Contents

Related product manuals