EasyManua.ls Logo

ABB REG650 - Page 142

ABB REG650
728 pages
Print Icon
To Next Page IconTo Next Page
To Next Page IconTo Next Page
To Previous Page IconTo Previous Page
To Previous Page IconTo Previous Page
Loading...
IdUnre
IDL1MAG
2nd and
5th
Harmonic
I
D
L
1
AND
Cross Block
from L2 or L3
OpCrossBlock=On
IBIAS
TRIPUNREL1
STL1
TRIPRESL1
B
L
K
H
L
1
en07000020.vsd
a
b
b>a
AND
C
r
o
s
s
B
l
o
c
k
t
o
L
2
o
r
L
3
AND
AND
AND
BLKUNRES
BLOCK
BLKRES
OR
1
INTFAULT
IEC07000020 V2 EN
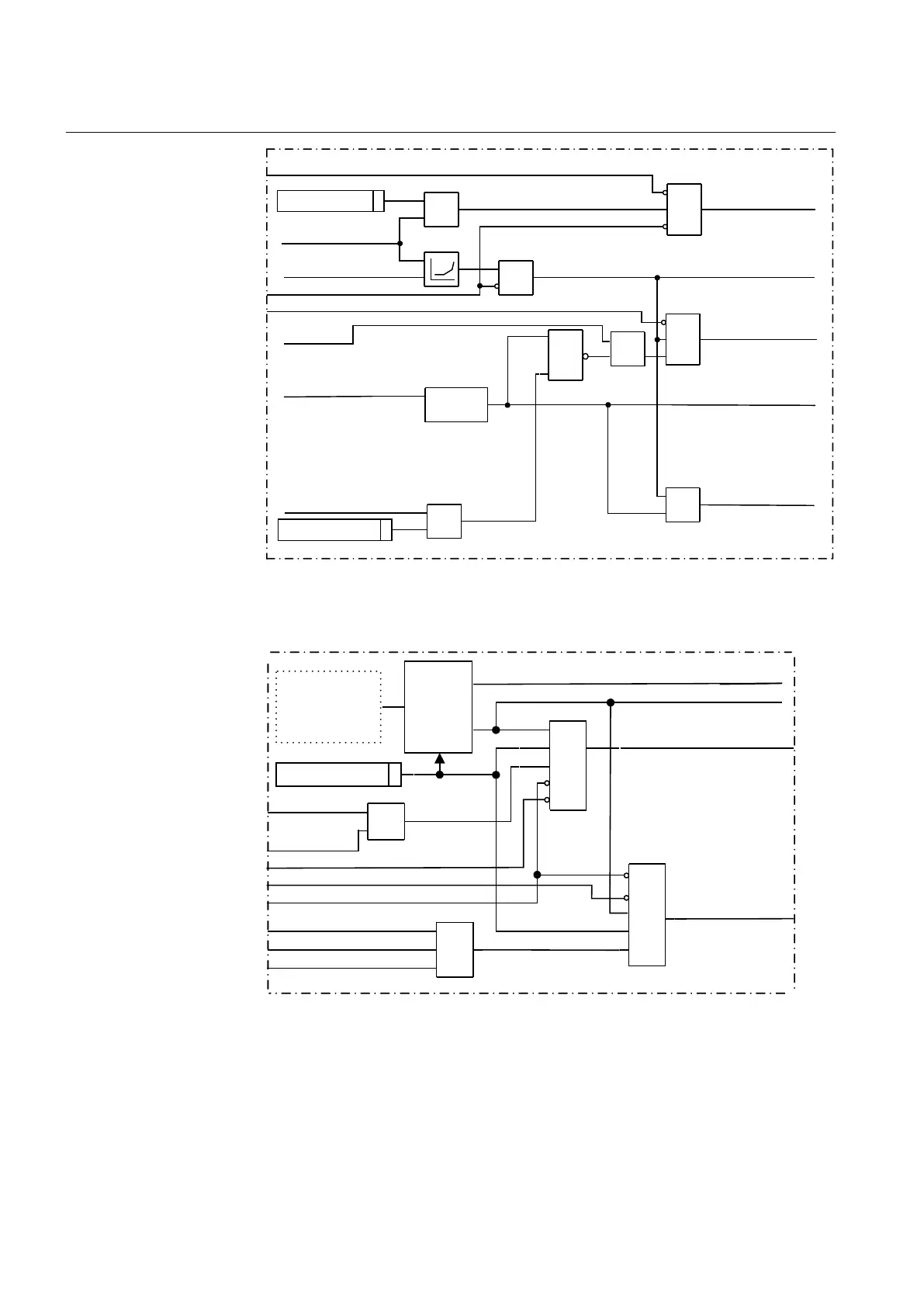
Figure 57: Generator differential logic diagram 1.
Internal/
External
Fault
discrimin
ator
STL1
STL2
STL3
OR
AND
E
X
T
F
A
U
L
T
INTFAULT
TRNSSENS
T
R
N
S
U
N
R
en07000021.vsd
Constant
IBIAS
a
b
b>a
Neg.Seq. Diff
Current
Contributions
OpNegSeqDiff=On
AND
BLKNSSEN
BLKNSUNR
BLOCK
IEC07000021 V2 EN
Figure 58: Generator differential logic diagram 2.
Section 6 1MRK 502 048-UEN A
Differential protection
136
Technical manual

Table of Contents

Other manuals for ABB REG650

Related product manuals