EasyManua.ls Logo

ABB REG650 - Energizing Check

ABB REG650
728 pages
Print Icon
To Next Page IconTo Next Page
To Next Page IconTo Next Page
To Previous Page IconTo Previous Page
To Previous Page IconTo Previous Page
Loading...
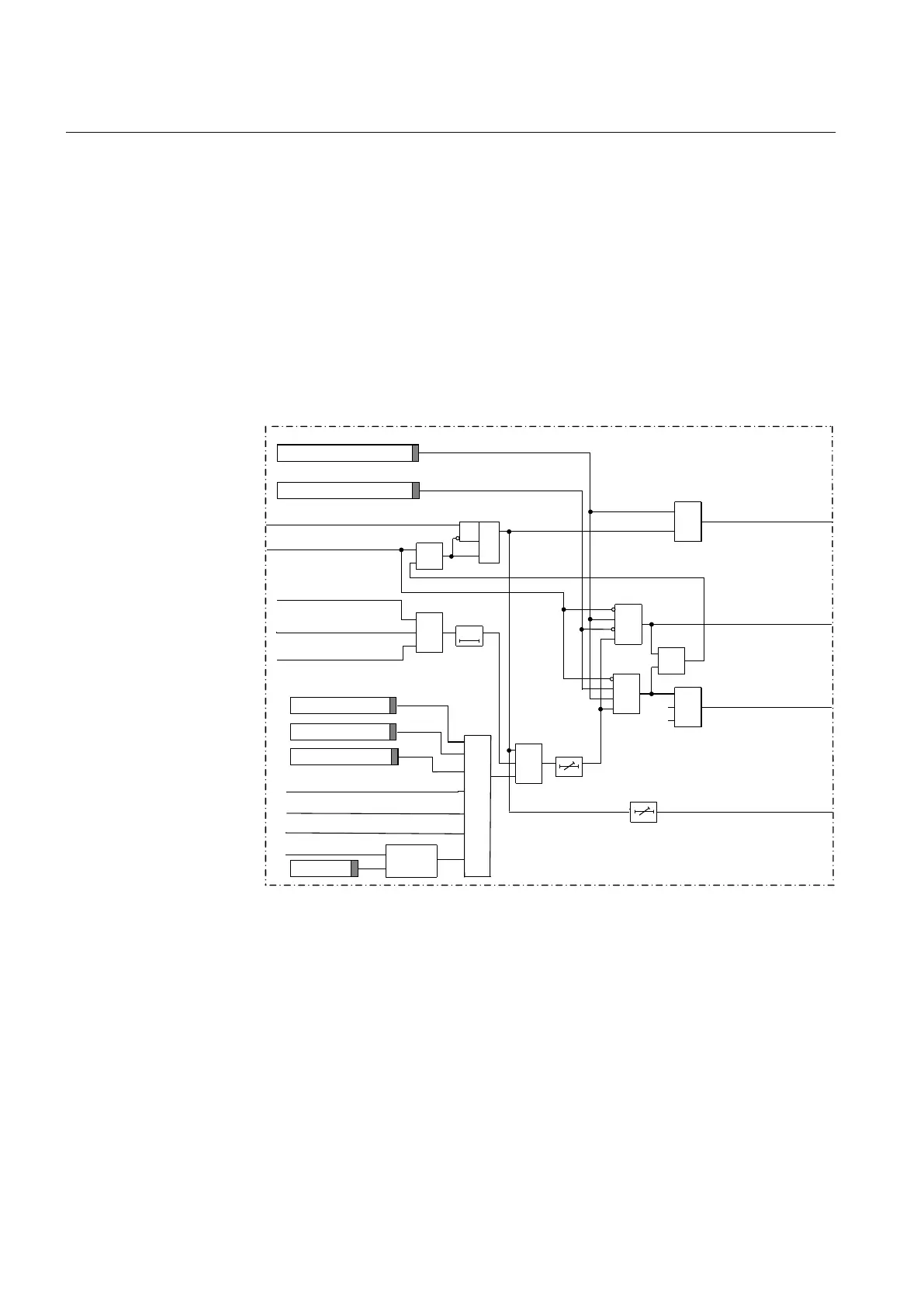
Measured frequencies between the settings for the maximum and minimum frequency
will initiate the measuring and the evaluation of the angle change to allow operation
to be sent in the right moment including the set tBreaker time. There is a phase angle
release internally to block any incorrect closing pulses. At operation the SYNOK
output will be activated with a pulse tClosePulse and the function reset. The function
will also reset if the syncronizing conditions are not fulfilled within the set tMaxSynch
time. This prevents that the function is, by mistake, maintained in operation for a long
time, waiting for conditions to be fulfilled.
The inputs BLOCK and BLKSYNCH are available for total block of the complete
SESRSYN function and block of the Synchronizing function respectively.
TSTSYNCH will allow testing of the function where the fulfilled conditions are
connected to a separate output.
OR
AND
S
R
Voltage difference between
U-Bus and U-Line < 0.10 p.u
Bus voltage > 80% of
GblBaseSelBus
Line voltage > 80% of
GblBaseSelLine
FreqDiffMax
FreqDiffMin
FreqRateChange
AND
t
50 ms
AND
AND
AND
AND
tClose
Pulse
OR
AND
OR
SYN1
STARTSYN
BLKSYNCH
SYNPROGR
SYNOK
SYNFAIL
tMax
Synch
TSTSYNOK
IEC08000020-5-en.vsd
OPERATION SYNCH=ON
TEST MODE=ON
PhaseDiff=closing angle
PhaseDiff < 15 deg
fBus&fLine ± 5 Hz
FreqDiff
tBreaker
Close pulse
in advance
IEC08000020 V5 EN
Figure 165: Simplified logic diagram for the synchronizing function
12.1.7.4 Energizing check
Voltage values are measured in the IED and are available for evaluation by the
Energizing check function.
The function measures voltages on the busbar and the line to verify whether they are
live or dead. To be considered live, the value must be above 80% of set UBase selected
Section 12 1MRK 502 048-UEN A
Control
330
Technical manual

Table of Contents

Other manuals for ABB REG650

Related product manuals