EasyManua.ls Logo

ABB REG650 - Page 218

ABB REG650
728 pages
Print Icon
To Next Page IconTo Next Page
To Next Page IconTo Next Page
To Previous Page IconTo Previous Page
To Previous Page IconTo Previous Page
Loading...
INNonDir>
UN>
OpMODE=3I0cosfi
IN>
INcosPhi>
OpMODE=3I03U0cosfi
INUNcosPhi>
Phi in RCA +- ROA
OpMODE=3I0 and fi
TimeChar = DefTime
DirMode = Reverse
Reverse
STNDIN
TRNDIN
STUN
TRUN
&
&
&
&
&
&
STARTDIRIN
STFW
STRV
TRDIRIN
&
t
t
&
SN
t
TimeChar = InvTime
1
DirMode = Forward
Forward
IEC09000147-2-en.vsd
IEC09000147 V2 EN
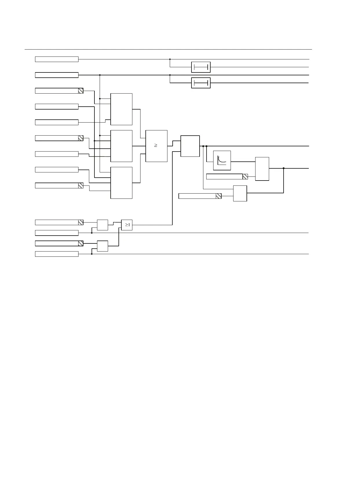
Figure 105: Simplified logical diagram of the sensitive earth-fault current protection
Section 8 1MRK 502 048-UEN A
Current protection
212
Technical manual

Table of Contents

Other manuals for ABB REG650

Related product manuals