EasyManua.ls Logo

ABB REG650 - Page 575

ABB REG650
728 pages
Print Icon
To Next Page IconTo Next Page
To Next Page IconTo Next Page
To Previous Page IconTo Previous Page
To Previous Page IconTo Previous Page
Loading...
GUID-DAC3746F-DFBF-4186-A99D-1D972578D32A V1 EN
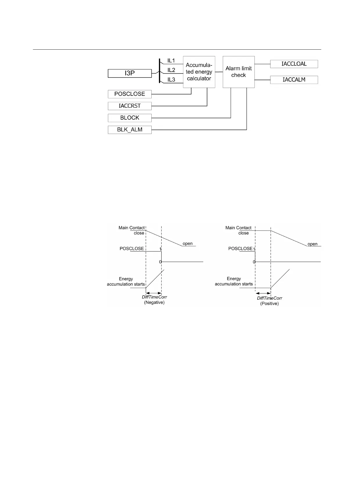
Figure 270: Functional module diagram for calculating accumulative energy and
alarm
Accumulated energy calculator
This module calculates the accumulated energy I
y
t [(kA)
y
s]. The factor y is set with
the CurrExp setting.
The calculation is initiated with the POSCLOSE input open events. It ends when the
RMS current becomes lower than the AccDisLevel setting value.
GUID-75502A39-4835-4F43-A7ED-A80DC7C1DFA2 V1 EN
Figure 271: Significance of theDiffTimeCorr setting
The DiffTimeCorr setting is used instead of the auxiliary contact to accumulate the
energy from the time the main contact opens. If the setting is positive, the calculation
of energy starts after the auxiliary contact has opened and when the delay is equal to
the value set with the DiffTimeCorr setting. When the setting is negative, the
calculation starts in advance by the correction time before the auxiliary contact opens.
The accumulated energy outputs IACCL1 (L2, L3) are available through the
Monitored data view on the LHMI or through tools via communications. The values
can be reset by setting the Clear accum. breaking curr setting to on in the clear menu
from LHMI.
1MRK 502 048-UEN A Section 14
Monitoring
569
Technical manual

Table of Contents

Other manuals for ABB REG650

Related product manuals