EasyManua.ls Logo

ABB REG650 - Page 623

ABB REG650
728 pages
Print Icon
To Next Page IconTo Next Page
To Next Page IconTo Next Page
To Previous Page IconTo Previous Page
To Previous Page IconTo Previous Page
Loading...
IEC09000390-1-en.vsd
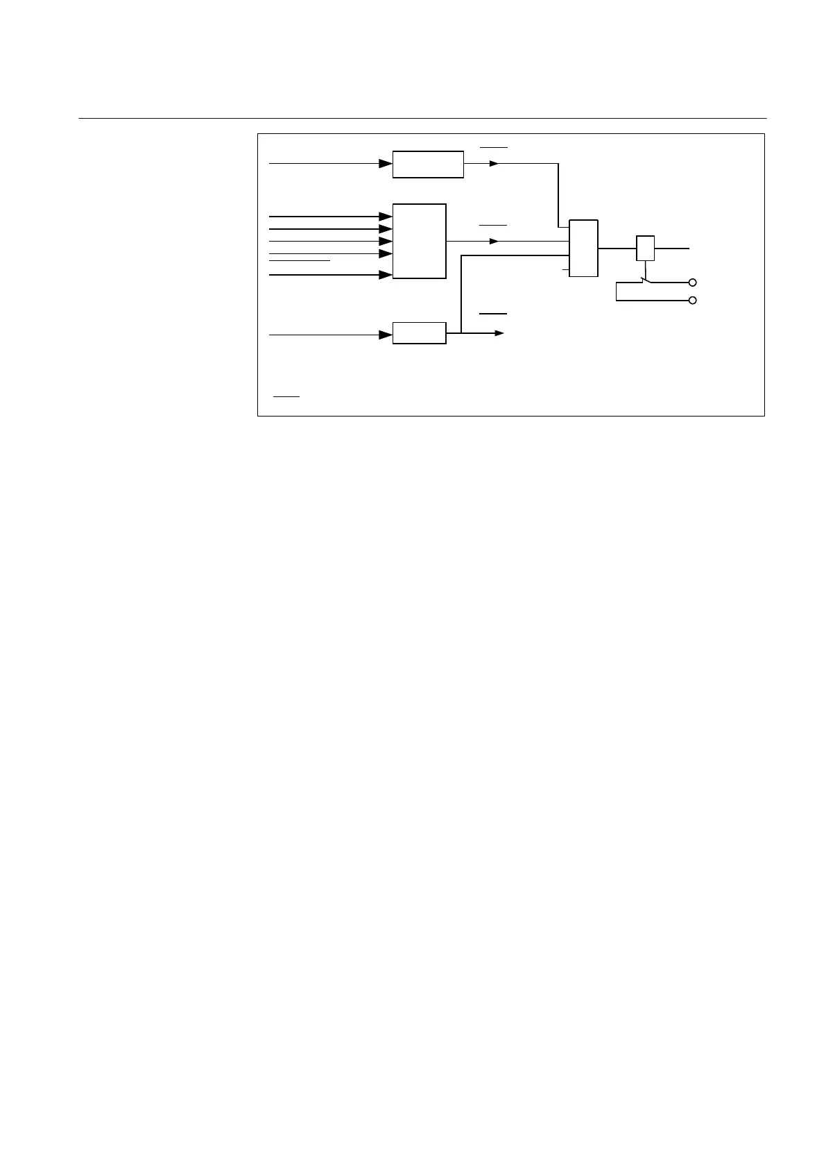
Power supply fault
Watchdog
TX overflow
Master resp.
Supply fault
ReBoot I/O
Internal Fail (CPU)
Power supply
module
I/O nodes
CEM
AND
Fault
Fault
Fault
INTERNAL
FAIL
I/O nodes = BIO
xxxx = Inverted signal
IEC09000390 V1 EN
Figure 297: Hardware self-supervision, potential-free contact
1MRK 502 048-UEN A Section 17
Basic IED functions
617
Technical manual

Table of Contents

Other manuals for ABB REG650

Related product manuals