EasyManua.ls Logo

ABB REL650 - Setting Guidelines

ABB REL650
516 pages
Print Icon
To Next Page IconTo Next Page
To Next Page IconTo Next Page
To Previous Page IconTo Previous Page
To Previous Page IconTo Previous Page
Loading...
Open
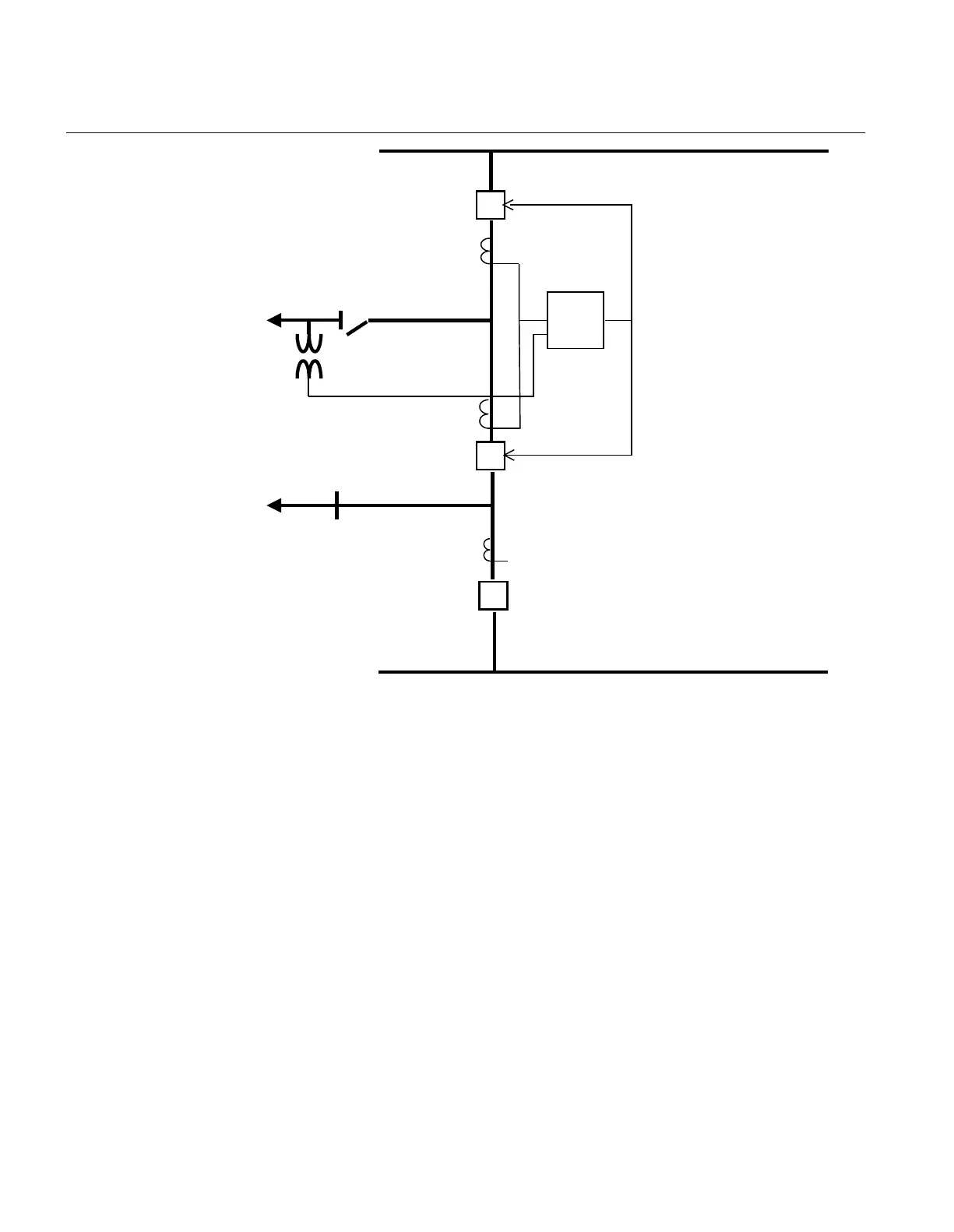
Disconnector
IED
ANSI11000172_1_en.vsd
ANSI11000172 V1 EN
Figure 117: Typical connection for stub protection in breaker-and-a-half
arrangement.
7.12.3 Setting guidelines
The parameters for Stub protection STBPTOC (50STB) are set via the local HMI or
PCM600.
The following settings can be done for the stub protection.
GlobalBaseSel: Selects the global base value group used by the function to define (IBase),
(VBase) and (SBase).
Operation: Disabled/Enabled
Section 7 1MRK 506 334-UUS A
Current protection
238
Application manual

Table of Contents

Other manuals for ABB REL650

Related product manuals