EasyManua.ls Logo

ABB REL650 - Page 99

ABB REL650
516 pages
Print Icon
To Next Page IconTo Next Page
To Next Page IconTo Next Page
To Previous Page IconTo Previous Page
To Previous Page IconTo Previous Page
Loading...
IED
IED
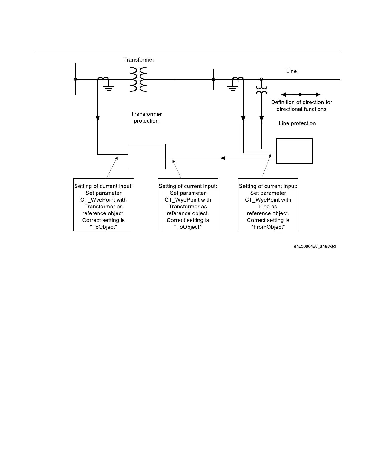
ANSI05000460 V2 EN
1MRK 506 334-UUS A Section 4
Analog inputs
93
Application manual

Table of Contents

Other manuals for ABB REL650

Related product manuals