EasyManua.ls Logo

ADC AD-320 - Temperature Sensor Probe Assembly

ADC AD-320
178 pages
Print Icon
To Next Page IconTo Next Page
To Next Page IconTo Next Page
To Previous Page IconTo Previous Page
To Previous Page IconTo Previous Page
Loading...
450239-4 www.adclaundry.com 21
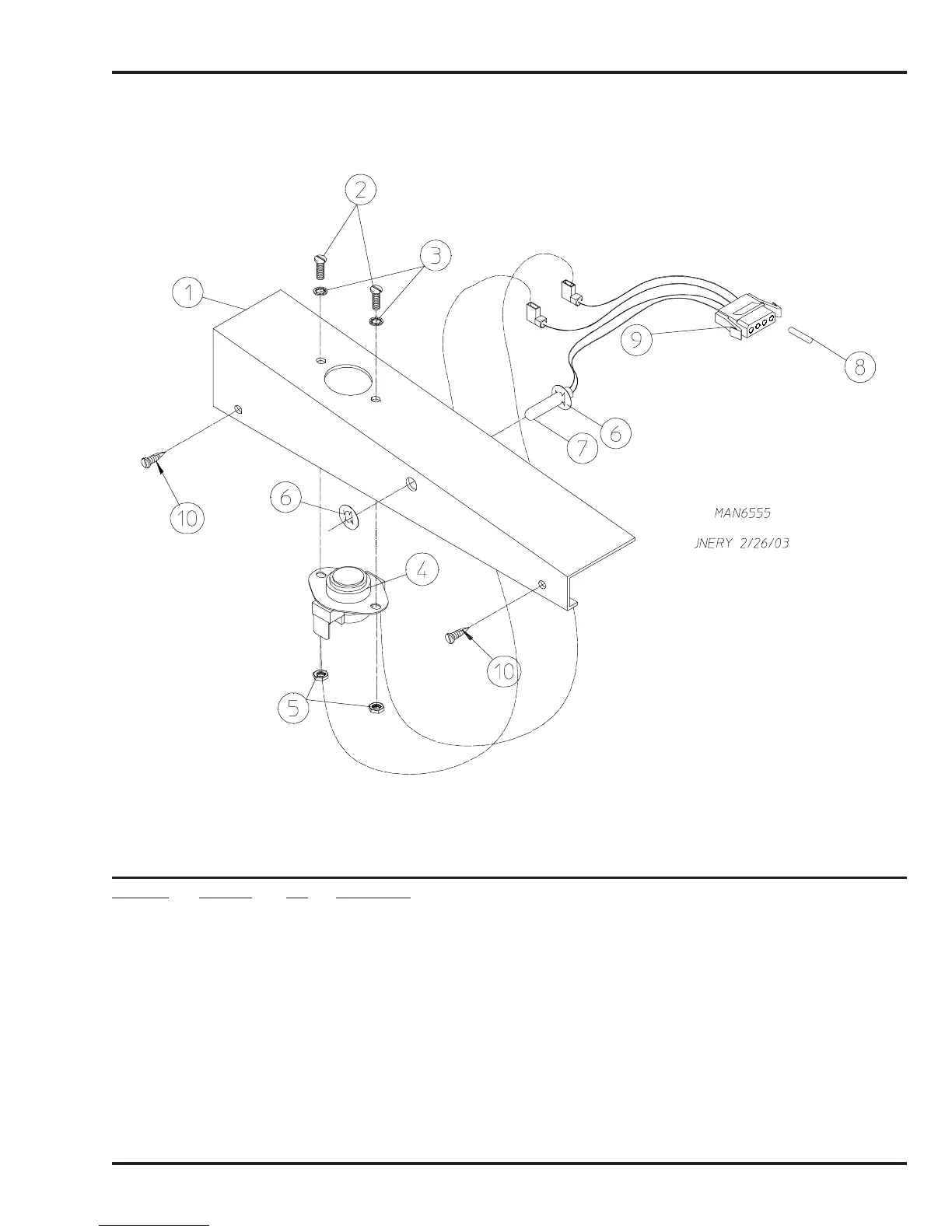
Temperature Sensor Probe Assembly
Illus. No. Part No. Qty. Description
18523241Temperature Sensor Bracket Assembly Complete
(includes illus. nos. 1 through 10)
21500052#6-32 x 1/4 Phillips Head Machine Screw
31530102#6 Star Washer
41301061170° Large Thermostat
51520002#6-32 Hex Nut
615400721/4 Tinnerman Push-On Fastener
78523211Temperature Sensor Probe Assembly
(includes illus. nos. 7 through 9)
81227014Socket Terminal ONLY
912260514-Pin Socket Connector (female)
10 150301 2 #8-18 x 7/16” Phillips Pan Head TEK Screw
122801 1 Pin / Socket Extraction Tool … Not Illustrated

Table of Contents

Related product manuals