EasyManua.ls Logo

AEMC DTR 8510 - SPECIFICATIONS; DTR 8510 Electrical Specifications

AEMC DTR 8510
64 pages
Print Icon
To Next Page IconTo Next Page
To Next Page IconTo Next Page
To Previous Page IconTo Previous Page
To Previous Page IconTo Previous Page
Loading...
8
Digital Transformer Ratiometer DTR
®
Model 8510
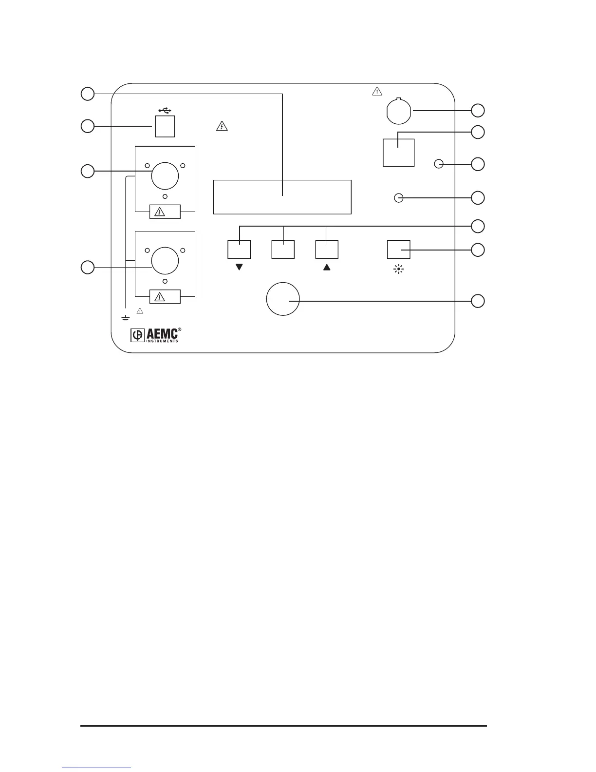
2.2 Control Features
50V CAT IV
OFF/
CHARGE
ON
ENTER
MEM
TEST
CONTRAST
DIGITAL TRANSFORMER RATIOMETER
DTR
®
MODEL 8510
USE SPECIFIED
CHARGER ONLY
USE ONLY ON DE-ENERGIZED TRANSFORMERS
H
X
5
2
1
3
4
6
7
8
10
11
9
1. Display: Displaysdata,statusandcontrolfeaturesoftheinstrument.
2. USB Connector: Allowsconnectiontoacomputerforinstrument
congurationset-upandstatuscheck,downloadingofthestored
datausingtheDataView
®
softwareandrunningatest..
3. High-side “H” Cable Connector (primary):Connectionforthe
primarysideofthetransformer.
4. Low-side “X” Cable Connector (secondary):Connectionforthe
secondarysideofthetransformer.
5. Battery Charge Input Connector:Allowsthesmartchargerto
chargethebatteries.
6. Power Switch: TurnstheinstrumentONorOFF(ifthechargerisnot
connected).Ifthechargerisconnected,thebatterieschargeinOFF/
CHARGEposition.
7. Operation and Battery Low Indicator: GreenLEDindicatesthat
theinstrumentisonandblinkswhenthebatteriesaregettinglow
(<12V).Theinstrumentwillcompletelyshutdownwhenthebatteries
arebelow8.7V.
www.ShopAEMC.com
Shop for AEMC products online at:
1.877.766.5412

Related product manuals