EasyManua.ls Logo

Agilent Technologies 5975 - Page 145

Agilent Technologies 5975
192 pages
Print Icon
To Next Page IconTo Next Page
To Next Page IconTo Next Page
To Previous Page IconTo Previous Page
To Previous Page IconTo Previous Page
Loading...
General Maintenance 5
5975 Series MSD Operation Manual for MassHunter 145
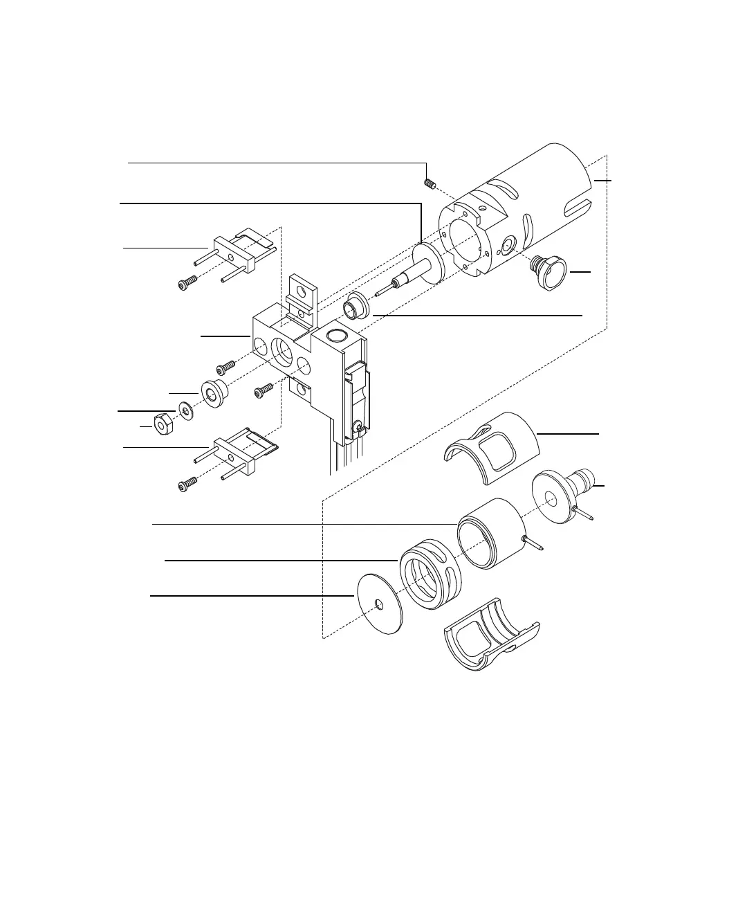
Figure 27 Disassembling the EI ion source
Source body
Filament
Setscrew
Interface socket
Repeller
Repeller insulator
Source heater assembly
Repeller insulator
Washer
Repeller nut
Ion focus lens
Drawout cylinder
Drawout plate
Lens insulator
(1 of 2)
Entrance lens
Filament

Table of Contents

Related product manuals