EasyManua.ls Logo

Atlas Copco GA 160 VSD

Atlas Copco GA 160 VSD
166 pages
To Next Page IconTo Next Page
To Next Page IconTo Next Page
To Previous Page IconTo Previous Page
To Previous Page IconTo Previous Page
Loading...
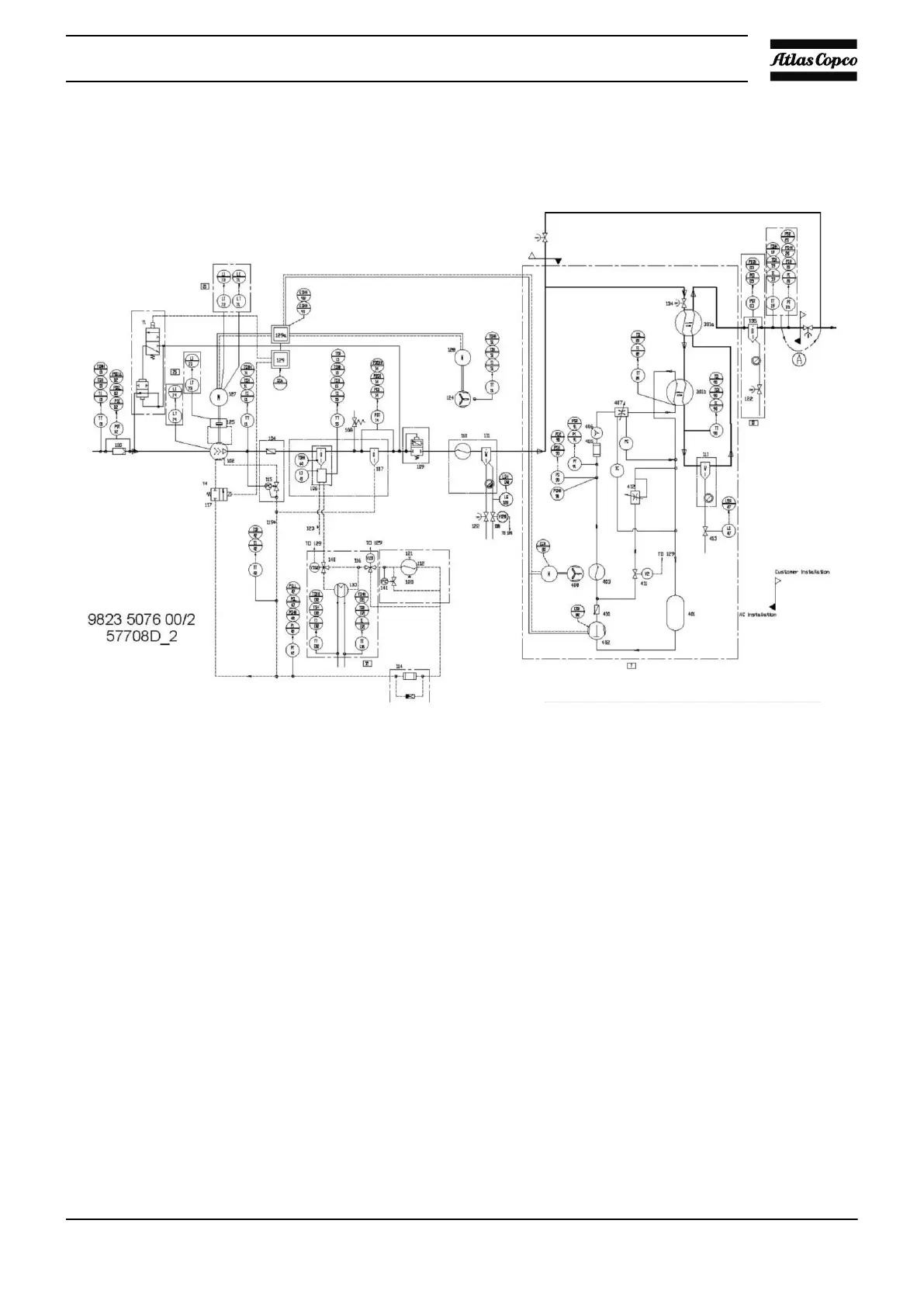
2.2 Air and oil system
Flow diagrams
Flow diagram for air-cooled GA VSD compressors
Instruction book
2920 1728 05 13

Table of Contents

Related product manuals