EasyManua.ls Logo

Atlas Copco GA 45+ - Cooling System

Atlas Copco GA 45+
186 pages
To Next Page IconTo Next Page
To Next Page IconTo Next Page
To Previous Page IconTo Previous Page
To Previous Page IconTo Previous Page
Loading...
Description
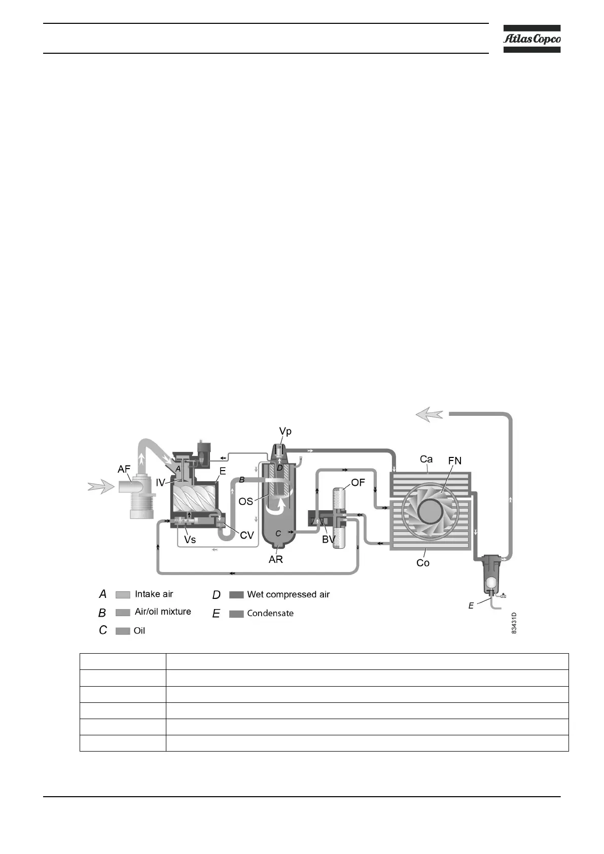
In air receiver/oil separator (AR), most of the oil is removed from the air/oil mixture by centrifugal
action. The remaining oil is removed by oil separator (OS). The oil collects in the lower part of air
receiver/oil separator (AR), which serves as an oil tank.
The oil system is provided with a thermostatic bypass valve (BV). When the oil temperature is
below its set point, bypass valve (BV) shuts off the supply to oil cooler (Co) and the oil cooler is
bypassed.
Air pressure forces the oil from air receiver/oil separator (AR) through oil filter (OF) and oil stop
valve (Vs) to compressor element (E).
Bypass valve (BV) starts opening the supply from cooler (Co) when the oil temperature has
increased to the set point. At approx. 15 ˚C (27 ˚F) above the set point, all the oil flows through
the oil cooler.
Oil stop valve (Vs) prevents the compressor element from flooding with oil when the compressor
is stopped. The valve is opened by element outlet pressure when the compressor is started.
2.4 Cooling system
Air-cooled compressors
References Description
A Intake air
B Air/oil mixture
C Oil
D Wet compressed air
E Condensate
Instruction book
2920 7109 51 19

Table of Contents

Related product manuals