EasyManua.ls Logo

Banner EZ-SCREEN - Page 44

Banner EZ-SCREEN
100 pages
Print Icon
To Next Page IconTo Next Page
To Next Page IconTo Next Page
To Previous Page IconTo Previous Page
To Previous Page IconTo Previous Page
Loading...
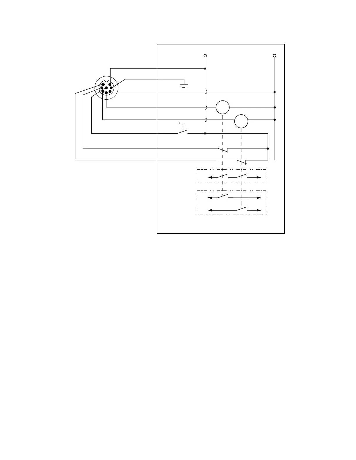
+24V dc 0V dc
Receiver
8-pin male
Euro-style
face view
Bn (Pin #1)
Gn/Ye (#7)
Bu (#6)
Bk (#5)
Wh (#4)
Vi (#8)
Or (#3)
Or/Bk (#2)
+24V dc
Ground
0V dc
OSSD1
OSSD2
Reset*
EDM1
EDM2
FSD
2
FSD
1
Single-Channel
Safety Stop
Circuit
Dual-Channel
Safety Stop
Circuit
NOTE: Do not exceed OSSD maximum load
capacitance specification.
*Trip (auto reset) – Not connected
See Accessories—Cordsets for further
QDE-8..D cable information.
Figure 20. FSDs (2-channel EDM, with reset)—Generic Wiring
EZ-SCREEN
®
14/30 mm Safety Light Screen
44 www.bannerengineering.com - Tel: + 1 888 373 6767

Table of Contents

Other manuals for Banner EZ-SCREEN

Related product manuals