EasyManua.ls Logo

Battenfeld PLUS 250/50 - Page 40

Battenfeld PLUS 250/50
104 pages
Print Icon
To Next Page IconTo Next Page
To Next Page IconTo Next Page
To Previous Page IconTo Previous Page
To Previous Page IconTo Previous Page
Loading...
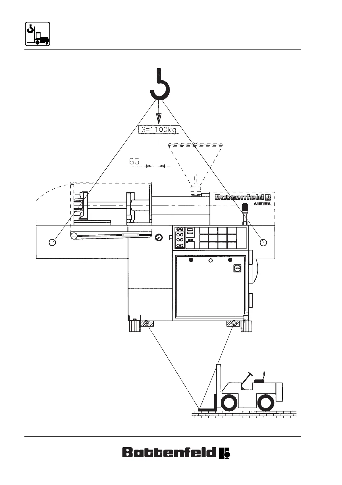
Transport - Siting
A: PL120100.040
B: PL120100.040
E: 03.93 / T. Weiß
G: 06.93 / T. Weiß
Chapter: 4
Page: 2
Bild: PL-0006.TIF
(2248 lb)
(2,56 inch)

Table of Contents