EasyManua.ls Logo

Berthold LB 444 - Calibration Methods

Default Icon
112 pages
Print Icon
To Next Page IconTo Next Page
To Next Page IconTo Next Page
To Previous Page IconTo Previous Page
To Previous Page IconTo Previous Page
Loading...
Density Meter LB 444 SECTION 5. GETTING STARTED
41
5.1.1.2 Shielding Container for Installation in a Container
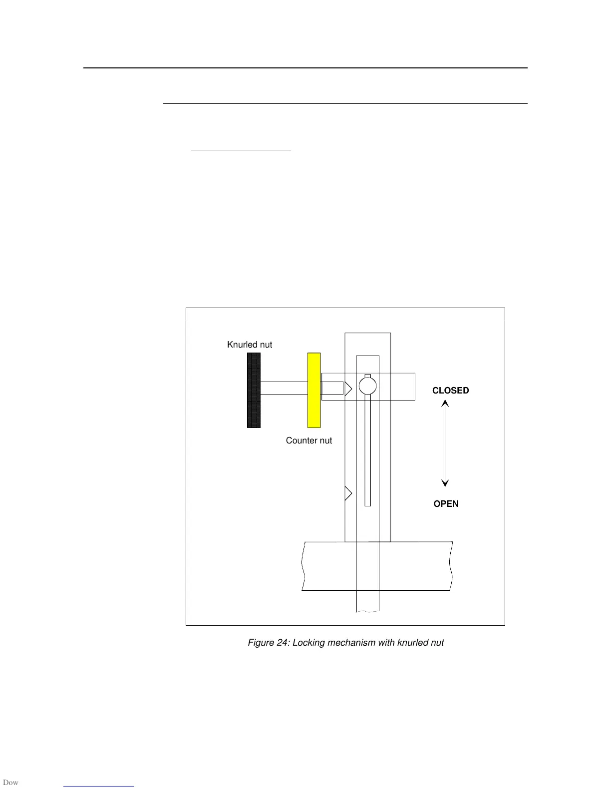
Version with knurled nut
Open padlock and turn protective cap until it can be taken off.
Open knurled nut and pull source forward to position “OPEN”.
Turn counter nut completely back toward the screw head. Firmly tighten the
knurled nut.
Firmly turn counter nut toward the front, in the direction of the protection
pipe and tighten it firmly.
Attach protection cap again. DO NOT secure it with a padlock.




















CLOSED
OPEN
Knurled nut
Counter nut
Figure 24: Locking mechanism with knurled nut

Table of Contents

Related product manuals