EasyManua.ls Logo

Berthold LB 444 - Figure 25: Locking Mechanism with Spring Pin

Default Icon
112 pages
Print Icon
To Next Page IconTo Next Page
To Next Page IconTo Next Page
To Previous Page IconTo Previous Page
To Previous Page IconTo Previous Page
Loading...
Density Meter LB 444 SECTION 5. GETTING STARTED
42
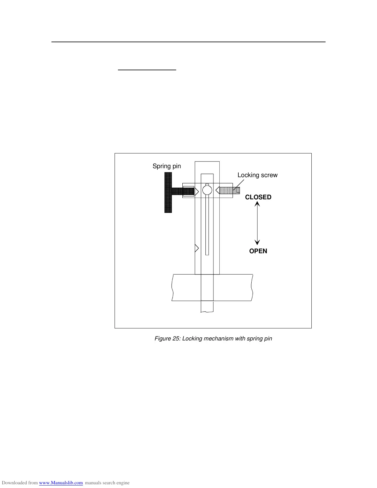
Version with spring pin
Open padlock and turn protective cap until it can be taken off. Open fasten-
ing screw.
Pull out spring pin and push source-locking lever toward the front in position
“OPEN” until the spring pin engages.
Firmly tighten locking screw again.
Attach protection cap again. DO NOT secure it with a padlock.























CLOSED
OPEN
Spring pin
Locking screw
Figure 25: Locking mechanism with spring pin

Table of Contents

Related product manuals