EasyManua.ls Logo

Beta ALP 200 - Electrical System Overview

Beta ALP 200
68 pages
Print Icon
To Next Page IconTo Next Page
To Next Page IconTo Next Page
To Previous Page IconTo Previous Page
To Previous Page IconTo Previous Page
Loading...
1
GENERAL INFORMATION
14
EN
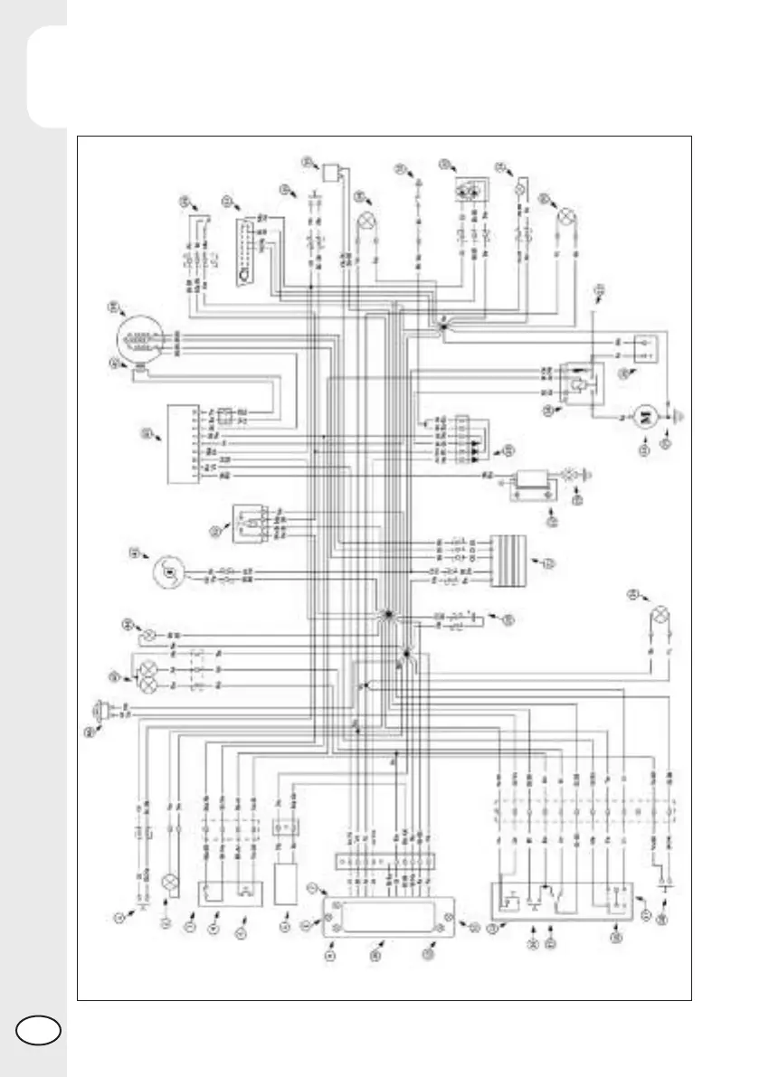
ELECTRICAL SYSTEM
ELECTRICAL DIAGRAM

Table of Contents

Other manuals for Beta ALP 200

Related product manuals