EasyManua.ls Logo

Bluetti EP600 - B500 Power on and Power off

Bluetti EP600
80 pages
Print Icon
To Next Page IconTo Next Page
To Next Page IconTo Next Page
To Previous Page IconTo Previous Page
To Previous Page IconTo Previous Page
Loading...
EP600 Energy Storage System User Manual
58
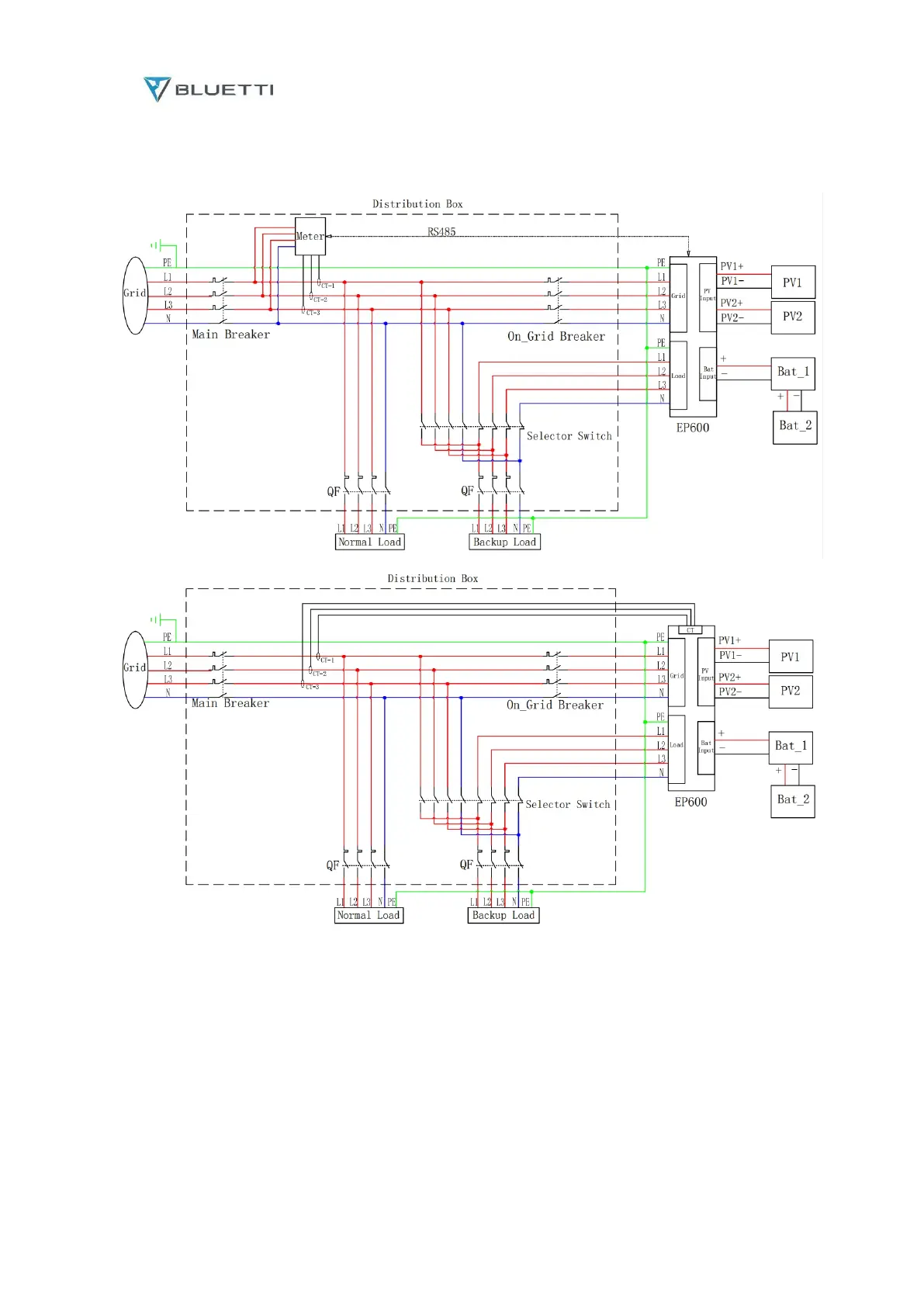
Connect in the direction of CT, refer to the figure below, from the inverter to the grid;
Figure 6-11 Electrical connection (method B: Electricity meter + CT)
6.9 B500 power on and power off
After installation:
Check whether the power and communication cable are connected reliably;

Other manuals for Bluetti EP600

Related product manuals